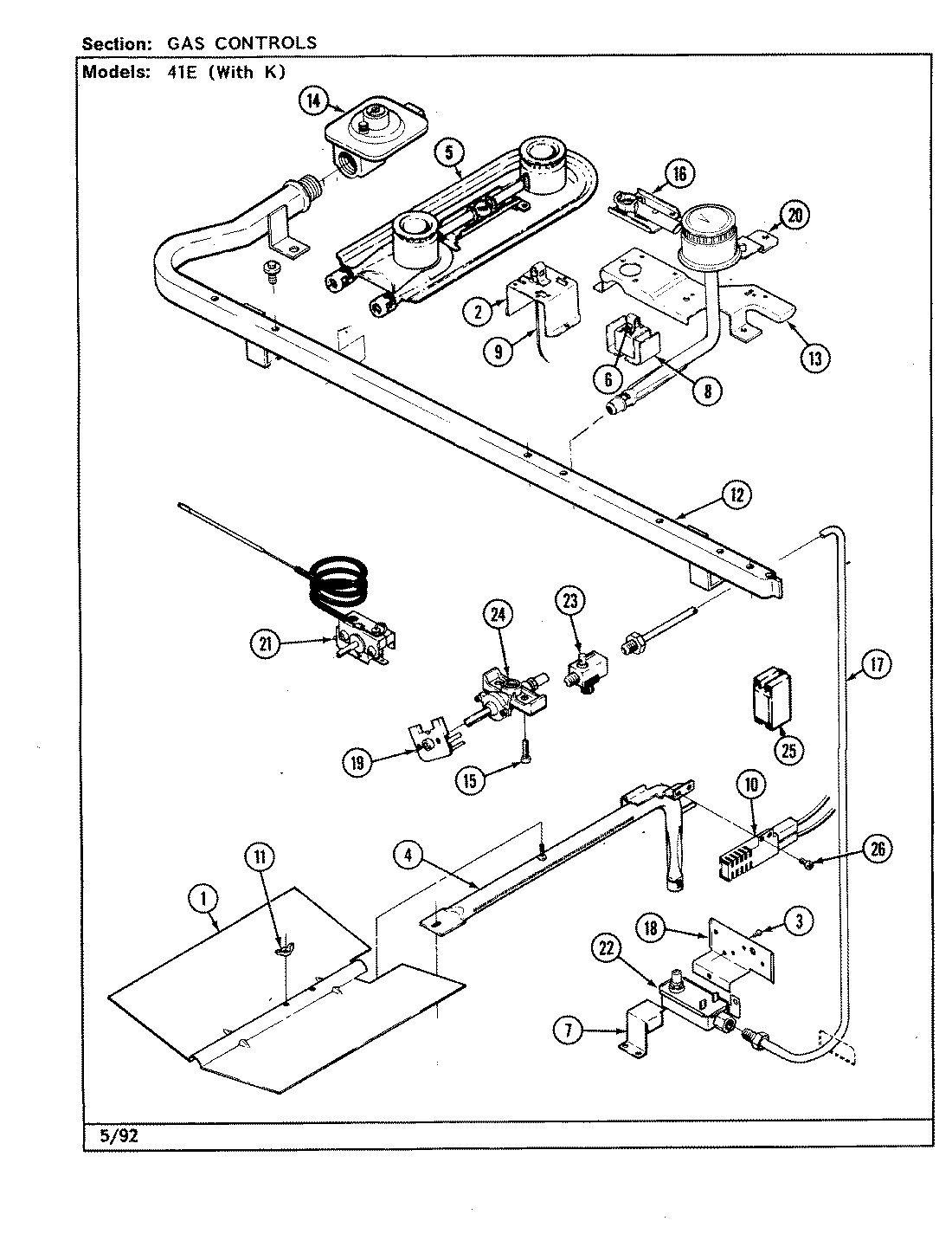
41EG-2GKW 04 – GAS CONTROLS