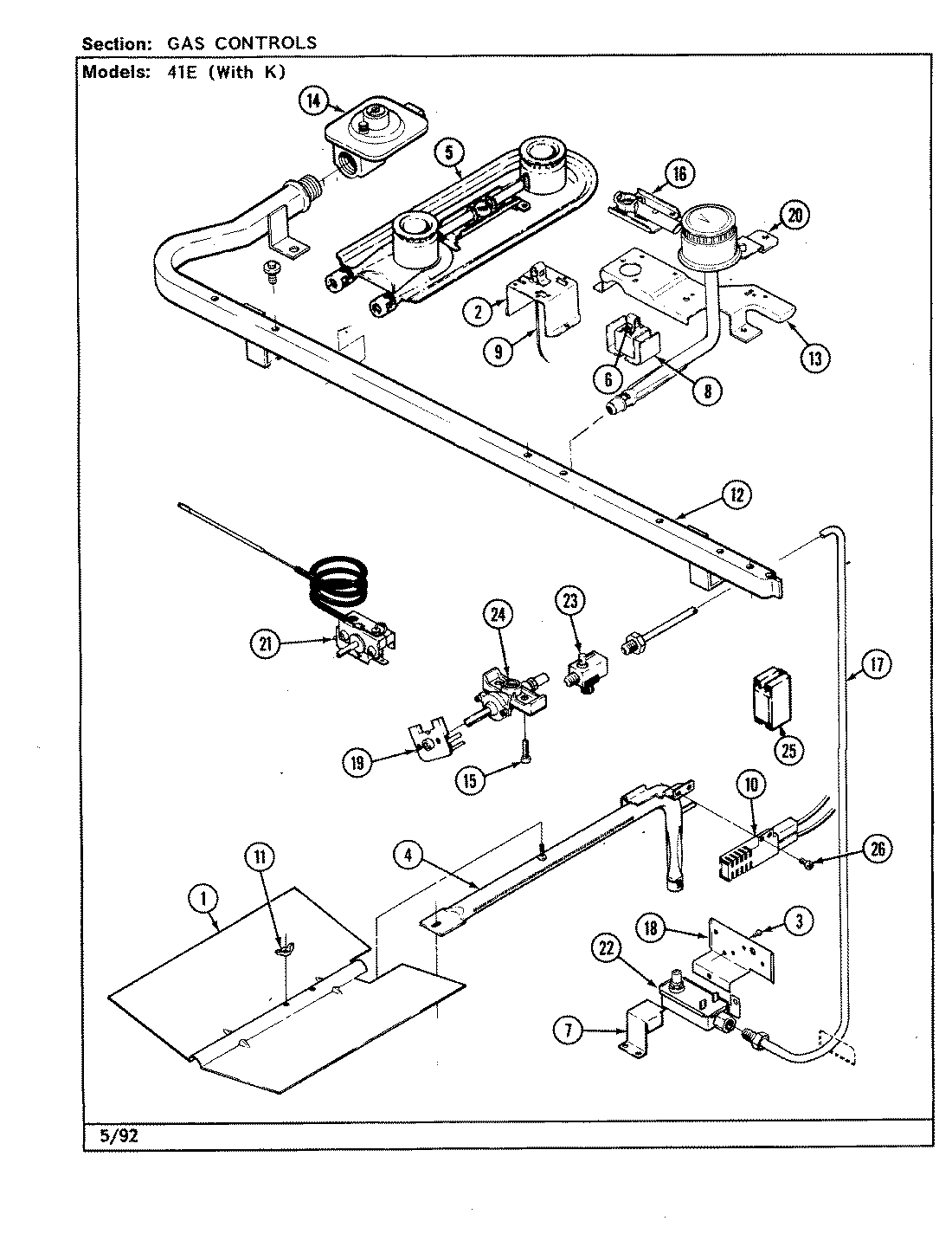
41EG-3GKLW 04 – GAS CONTROLS