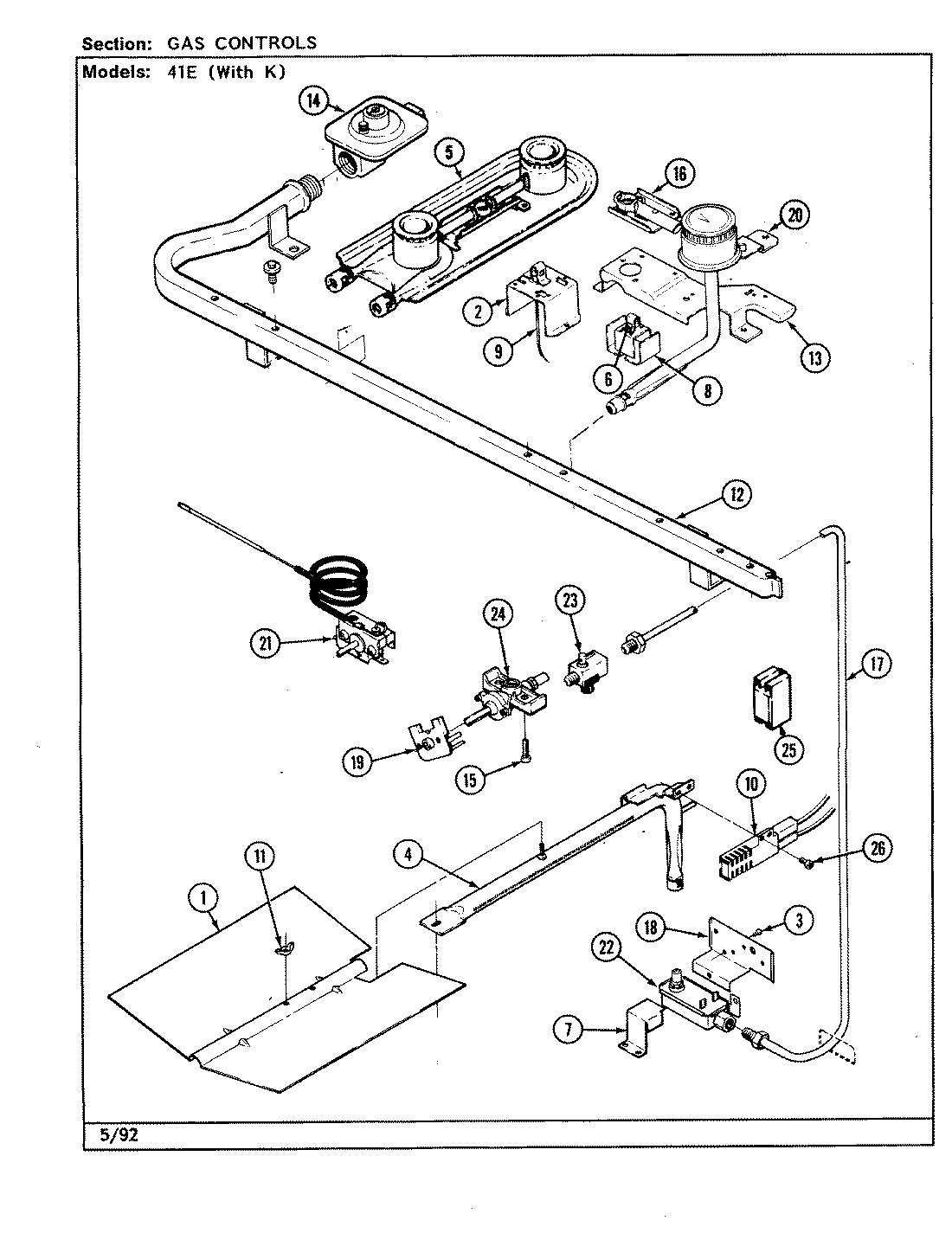
41EN-3GKW 04 – GAS CONTROLS