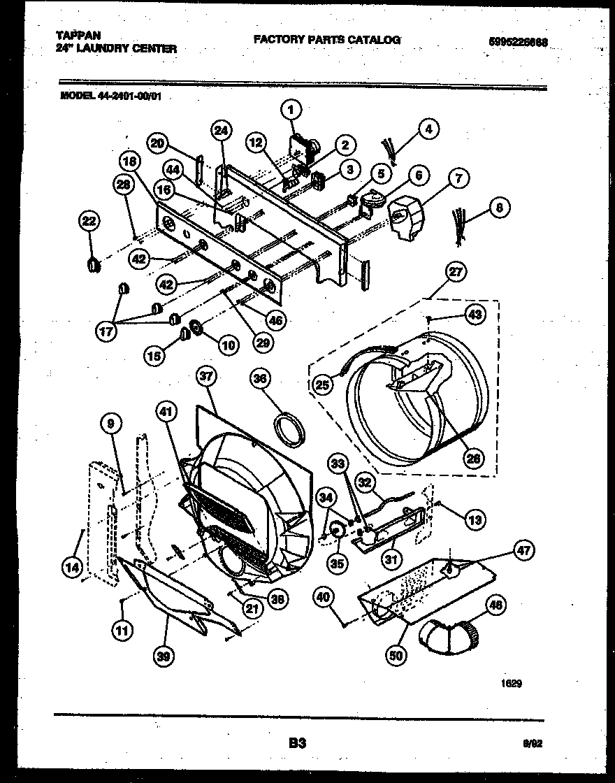
44-2401-00-01 03 – CONSOLE, CONTROL AND DRUM