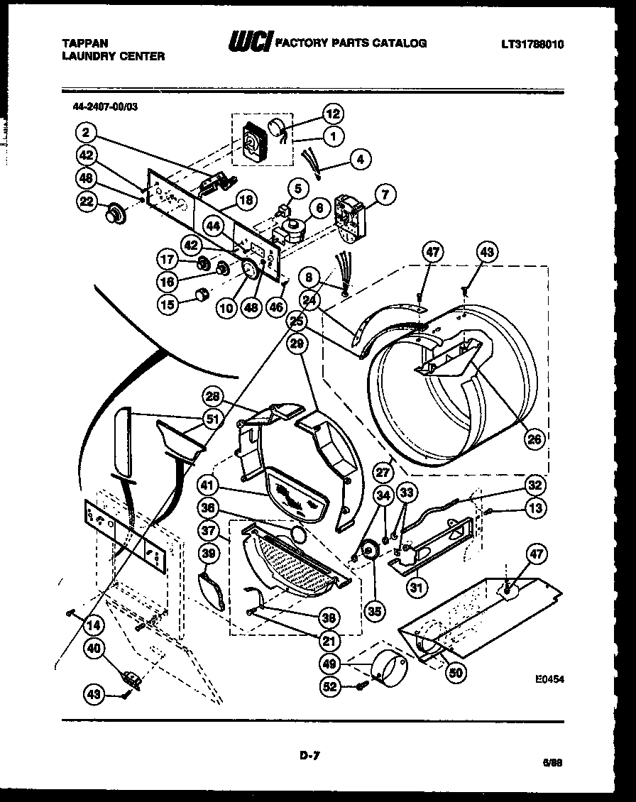
44-2407-00-03 03 – CONSOLE, CONTROL AND DRUMadmin2025-04-26T08:46:29+00:0044-2407-00-03 03 – CONSOLE, CONTROL AND DRUM ProductsPositionProduct*14207RESISTOR-TIMER-DRYER (4.4 K OHMS)*14207SHIELD-TIMER-WASHER*14207RESISTOR-SELECTOR SWITCH (3.9 K OHMS)1WCI 30179362WCI 30178934WCI 30179375WCI 30178956WCI 30178967WCI 30178978HARNESS-UPPER-WASHER-MOTOR10WCI 301795012MOTOR-TIMER-DRYER13SCREW (24)14WCI 316118715WCI 301795116KNOB-SWITCH-PRESSURE17KNOB-TEMPERATURE SWITCH18WCI 301795222WCI 301795324BAND25SEAL-DRUM-FRONT25AWCI 316107526BAFFLE-DRUM (3)27WCI 316107728WCI 316107829WCI 316107931WCI 301790132SHAFT-DRUM ROLLER (2)32WCI 301790233SNAP RING (4)34WCI 316125635ROLLER & WHEEL ASSEMBLY (4)36SEAL-LINT HOUSING37HOUSING ASSEMBLY-LINT38WCI 316125839WCI 316108540WCI 301645840WCI 301645641SCREEN-LINT42WCI 316125943ASCREW-MAGNET/PANEL (2)43131205100 Frigidaire Screw46SCREW (2)48WCI 300553849WCI 301645950WCI 301646051INSULATION FRONT PANEL TOP51AINSULATION FRONT PANEL LH52131168200 Frigidaire Dryer Screw