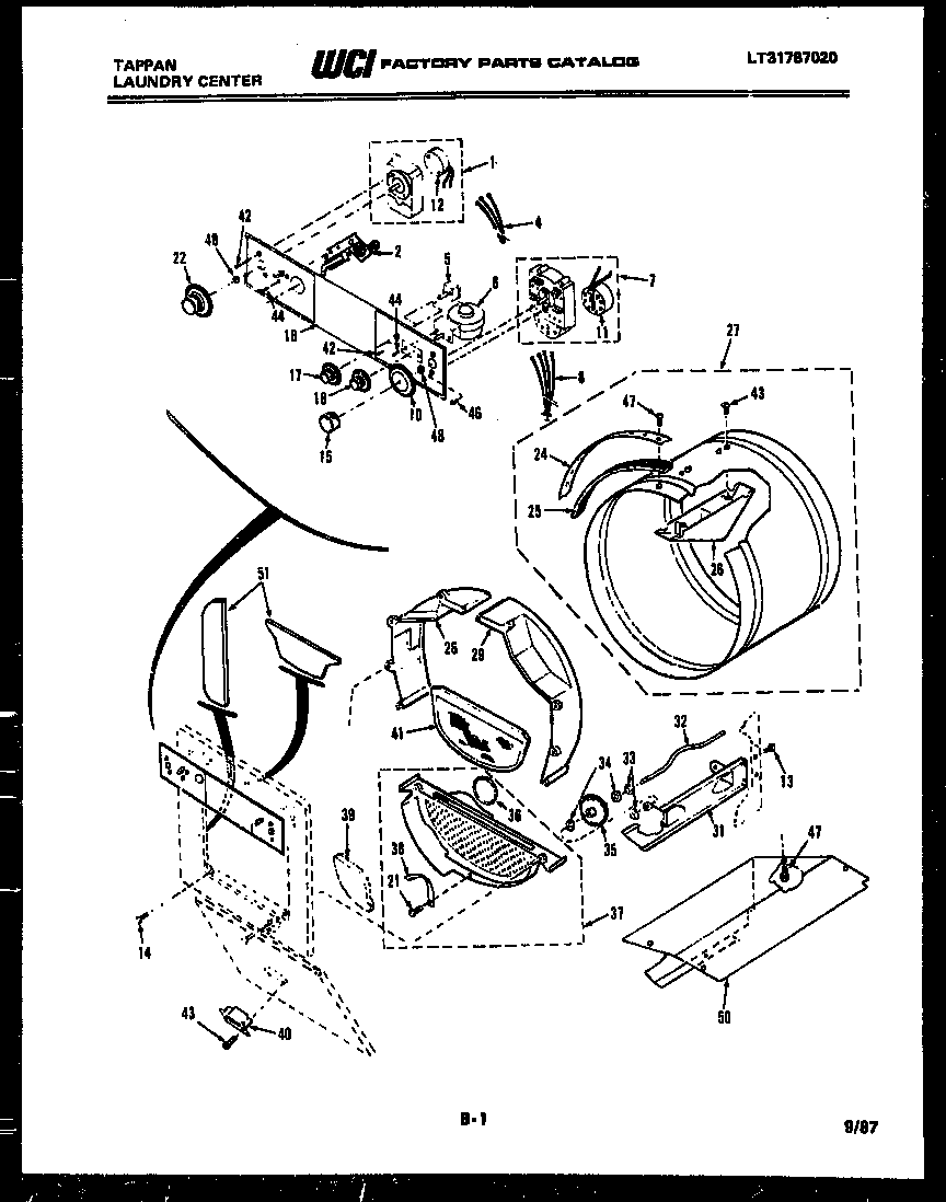
44-2417-23-01 03 – CONSOLE, CONTROLS AND DRUMadmin2025-04-26T08:46:52+00:0044-2417-23-01 03 – CONSOLE, CONTROLS AND DRUM ProductsPositionProduct*61546SHIELD-TIMER-WASHER*61547RESISTOR-SELECTOR SWITCH (3.9 K OHMS)*61547RESISTOR-TIMER-DRYER (4.4 K OHMS)1TMR-& MTR-DRYR2SWITCH-START/DOOR4WCI 31610605SWITCH-WTR TEMP6WCI 31614807TMR & MTR-WSHR8HARNESS-UPPER-WASHER-MOTOR10DIAL-INDICATOR11MOTOR-TIMER-WSHR12MOTOR-TIMER-DRYER13SCREW (24)14WCI 316118715KNOB-WSHR TMR16KNOB-SWITCH-PRESSURE17KNOB-TEMPERATURE SWITCH18WCI 316107122KNOB & DIAL ASSY24BAND25AWCI 316107525SEAL-DRUM-FRONT26BAFFLE-DRUM (3)27WCI 316107728WCI 316107829WCI 316107931ABRACKET-DRUM ROLLER LH31BRACKET-DRUM ROLLER RH32SHAFT-DRUM ROLLER (2)33SNAP RING (4)34WCI 316125635ROLLER & WHEEL ASSEMBLY (4)36SEAL-LINT HOUSING37HOUSING ASSEMBLY-LINT38WCI 316125839WCI 316108540MAGNET ASSY-ALMD41SCREEN-LINT42ASCREW (2)42WCI 316125943ASCREW-MAGNET/PANEL (2)43131205100 Frigidaire Screw44131243800 Frigidaire Screw46WCI 316118547WCI 31612348WCI 316148148SPACER-TMR-WSHR50WCI 316108951AINSULATION FRONT PANEL LH51INSULATION FRONT PANEL TOP