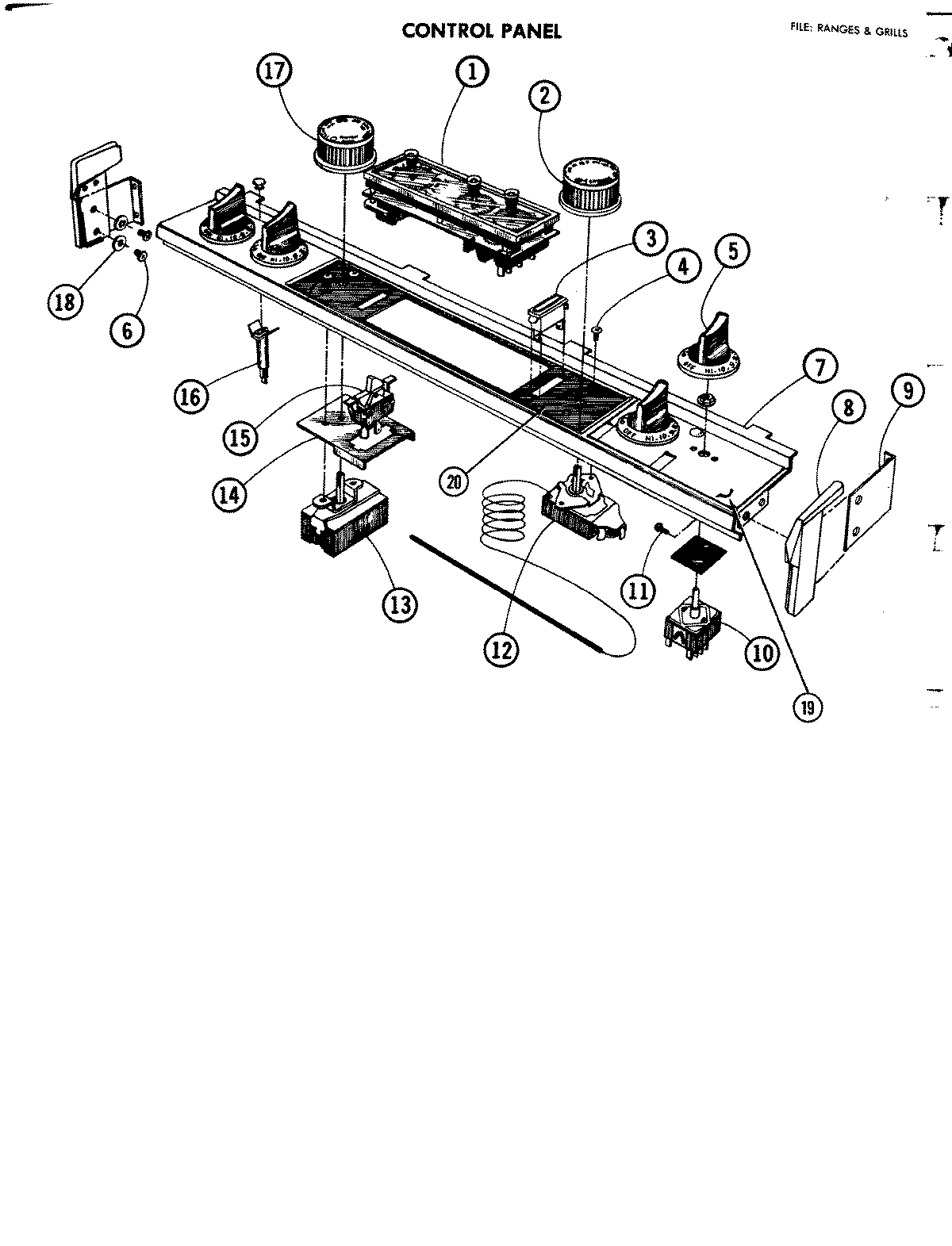
4760 03 – CONTROL PANEL