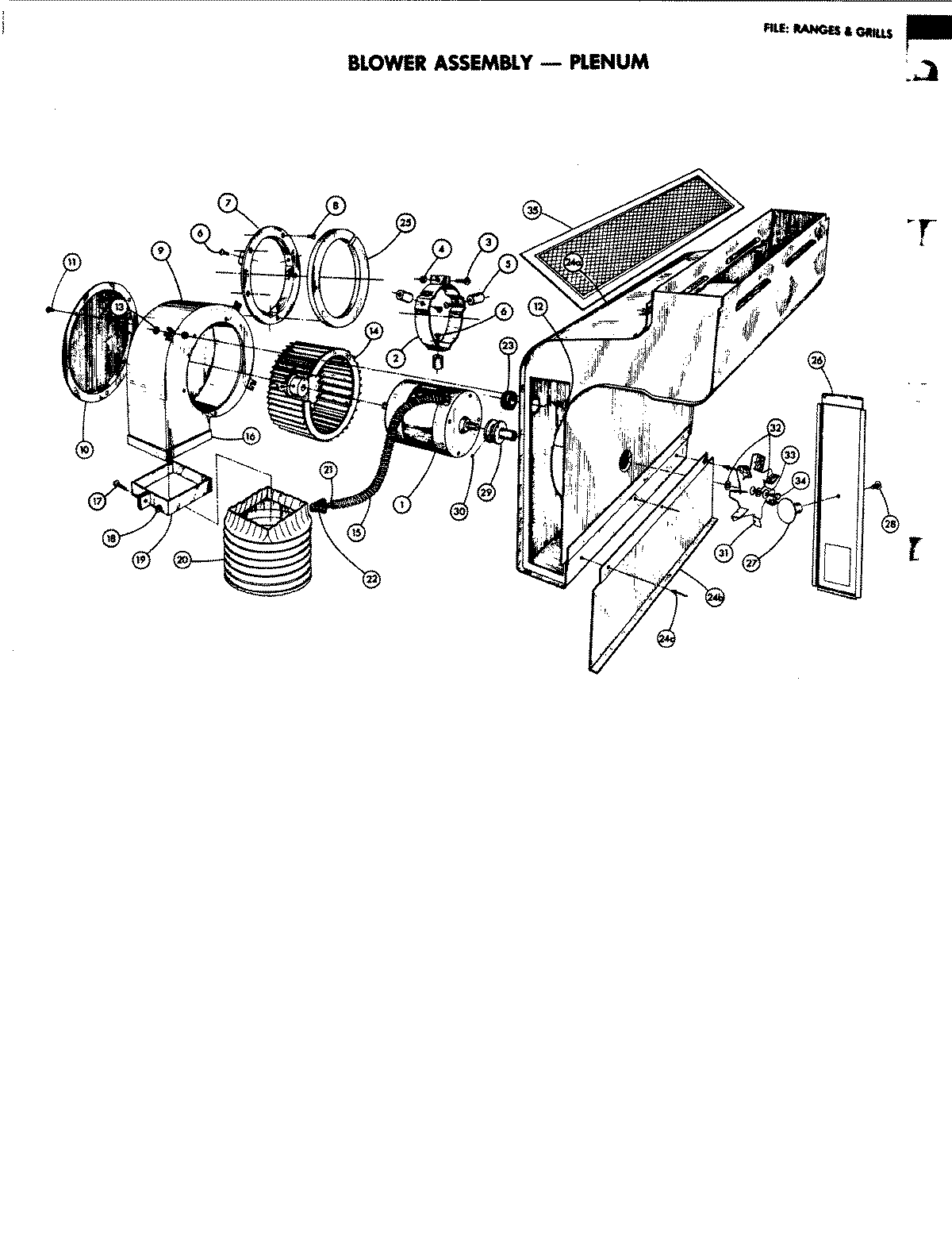
4770 02 – BLOWER ASSEMBLYadmin2025-04-26T09:17:41+00:004770 02 – BLOWER ASSEMBLY ProductsPositionProduct1MOTOR23415F003-51 Whirlpool Motor Band3SCREW5ISOLATOR7INLET RING8SCREW9NO LONGER AVAILABLE12SCREW13NUT14BLOWER WHEEL----NA15CONDUIT16FOAM TAPE17SCREW18J TINNERMAN19NO LONGER AVAILABLE20DUCT, FLEX21BUSHING22CONNECTOR, CONDUIT23GROMMET24PLENUM ASSEMBLY24NO LONGER AVAILABLE24WP210720 Whirlpool Rivet24LOWER PLENUM25GASKET25PLENUM DOOR26DOOR27DOOR KNOB28CONVECTION WHEEL28SCREW29COUPLING30SCREW, 1/4X20ST31CONVECTIVE WHEEL32FLAT WASHER33LOCK WASHER34CAP SCREW35WP71002111 Whirlpool Grease Filter