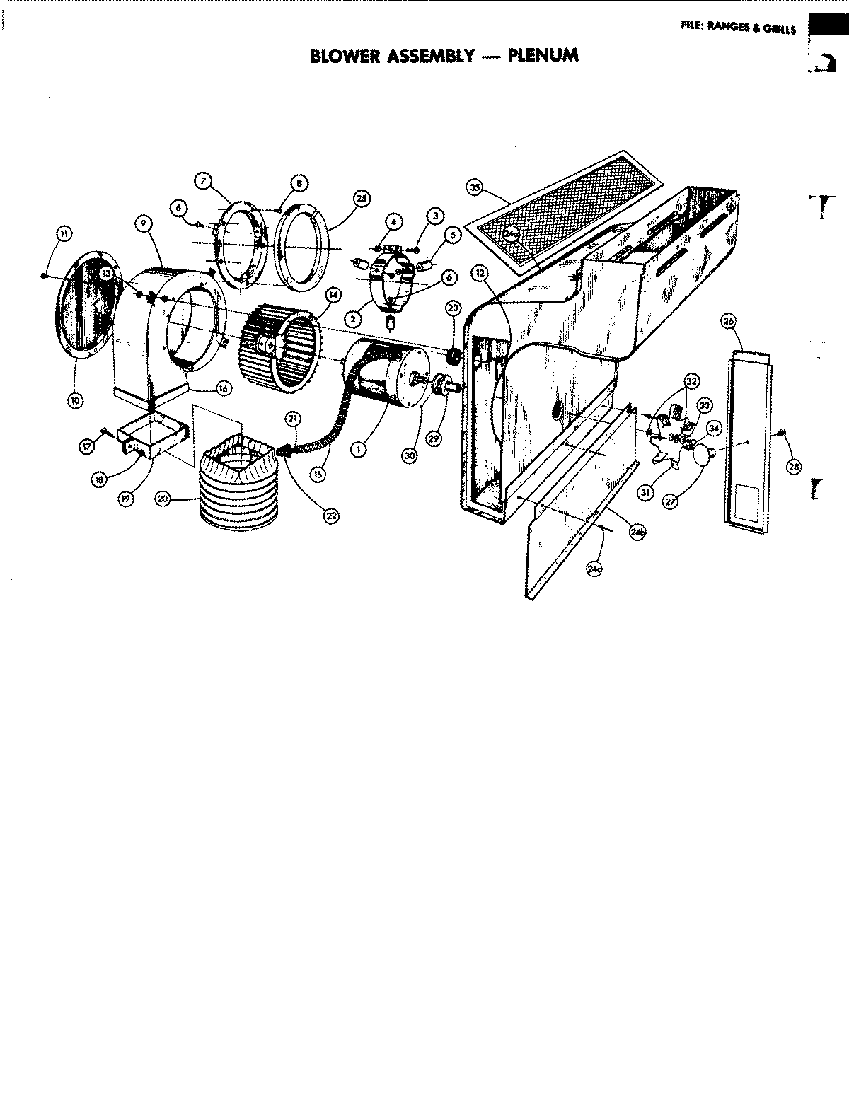
4790 02 – BLOWER ASSEMBLY/PLENUMadmin2025-04-26T09:16:38+00:004790 02 – BLOWER ASSEMBLY/PLENUM ProductsPositionProduct1MOTOR23415F003-51 Whirlpool Motor Band3SCREW5ISOLATOR7INLET RING8SCREW9NO LONGER AVAILABLE11NOT REQUIRED PART OR SEE NOTE12SCREW13NUT14BLOWER WHEEL----NA15CONDUIT16FOAM TAPE17SCREW18J TINNERMAN19NO LONGER AVAILABLE20DUCT, FLEX21BUSHING22CONNECTOR, CONDUIT23GROMMET24PLENUM ASSEMBLY24NO LONGER AVAILABLE24WP210720 Whirlpool Rivet25GASKET26PLENUM DOOR27DOOR KNOB28SCREW29CONVECTION WHEEL30SCREW, 1/4X20ST31COUPLING31CONVECTIVE WHEEL32FLAT WASHER33LOCK WASHER34CAP SCREW35WP71002111 Whirlpool Grease Filter