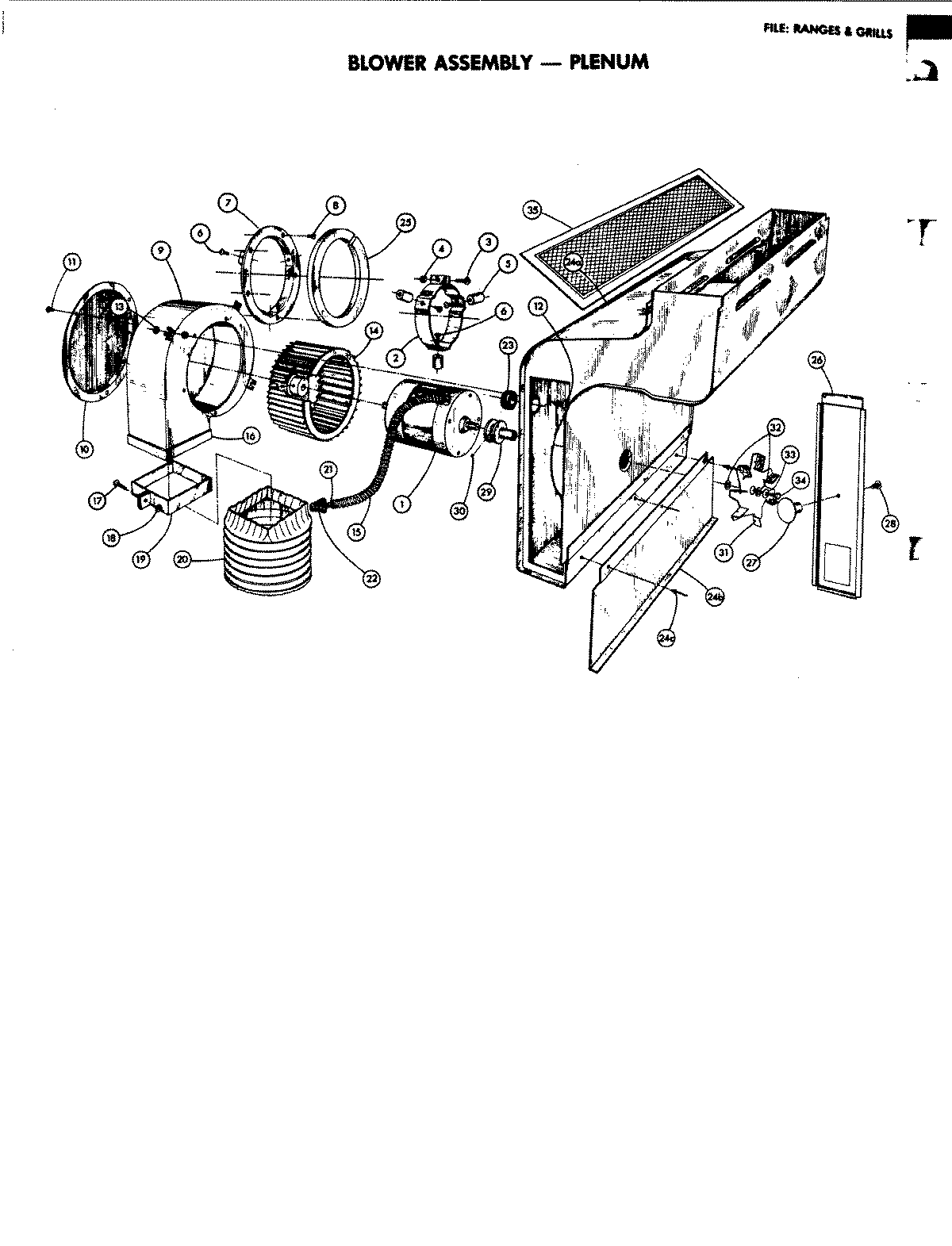
4855 01 – BLOWER ASSEMBLYadmin2025-04-26T09:17:46+00:004855 01 – BLOWER ASSEMBLY ProductsPositionProduct1MOTOR23415F003-51 Whirlpool Motor Band3SCREW5ISOLATOR7INLET RING8SCREW9NO LONGER AVAILABLE11NOT REQUIRED PART OR SEE NOTE12SCREW13NUT14BLOWER WHEEL----NA15CONDUIT16FOAM TAPE17SCREW18J TINNERMAN19NO LONGER AVAILABLE20DUCT, FLEX21BUSHING22CONNECTOR, CONDUIT23GROMMET24NO LONGER AVAILABLE24LOWER PLENUM24PLENUM ASSEMBLY24WP210720 Whirlpool Rivet25GASKET25PLENUM DOOR26DOOR27DOOR KNOB28SCREW28CONVECTION WHEEL29COUPLING29COUPLING30SET SCREW30SCREW, 1/4X20ST31CONVECTIVE WHEEL32FLAT WASHER33LOCK WASHER34CAP SCREW35WP71002111 Whirlpool Grease Filter