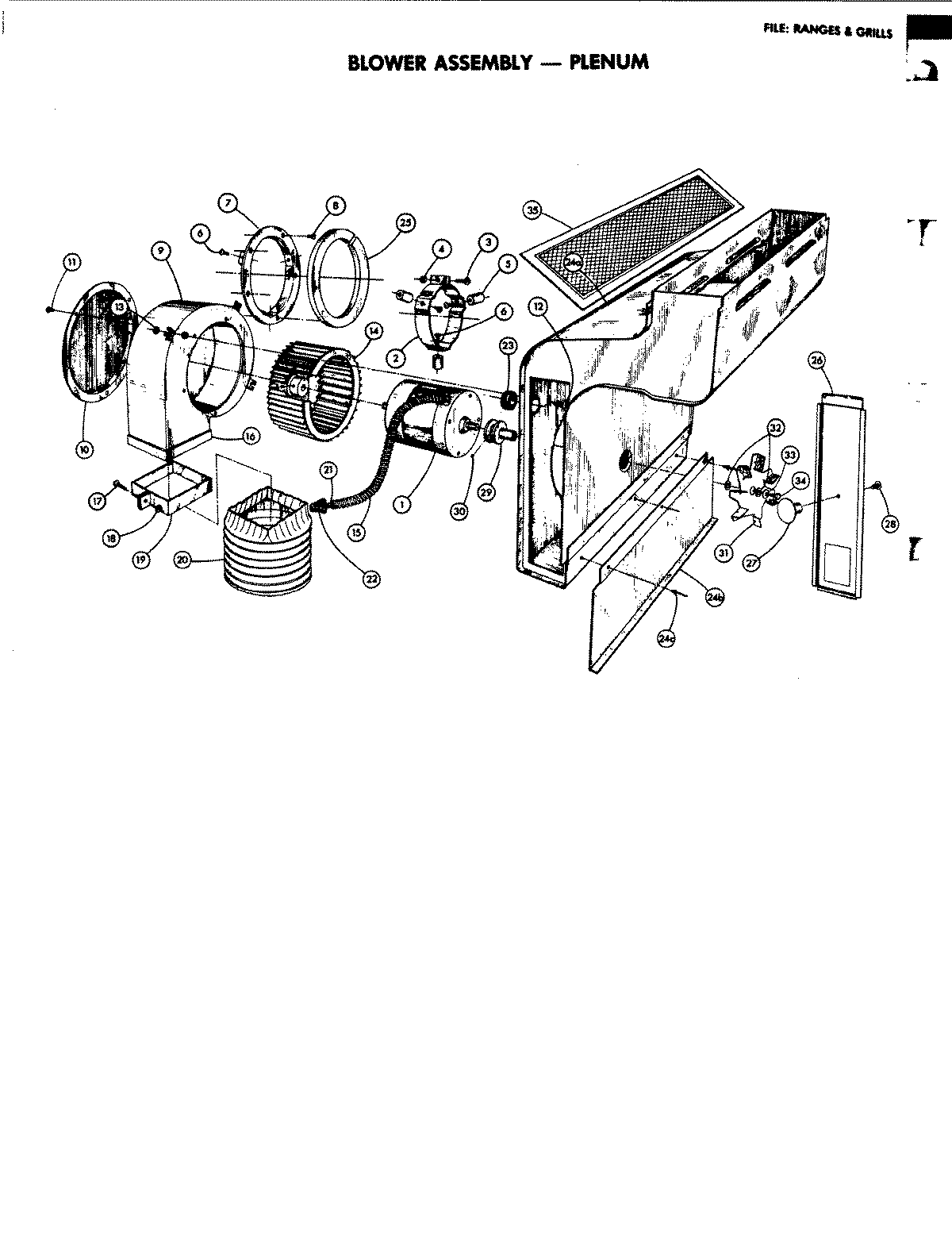
4875 02 – BLOWER ASSEMBLY/PLENUMadmin2025-04-26T09:16:57+00:004875 02 – BLOWER ASSEMBLY/PLENUM ProductsPositionProduct1MOTOR2BAND, MOTOR3SCREW5ISOLATOR7INLET RING9SCROLL10COVER-BLOWER HSG. COVER11SCREW12SCREW13NUT14WHEEL, BLOWER15CONDUIT16FOAM TAPE17SCREW18J TINNERMAN19NO LONGER AVAILABLE20DUCT, FLEX21BUSHING22CONNECTOR, CONDUIT23GROMMET24LOWER PLENUM24WP210720 Whirlpool Rivet24NO LONGER AVAILABLE24PLENUM ASSEMBLY25GASKET26PLENUM DOOR26DOOR27DOOR KNOB28SCREW29COUPLING30SET SCREW31CONVECTIVE WHEEL32FLAT WASHER33LOCK WASHER34CAP SCREW35WP71002111 Whirlpool Grease Filter