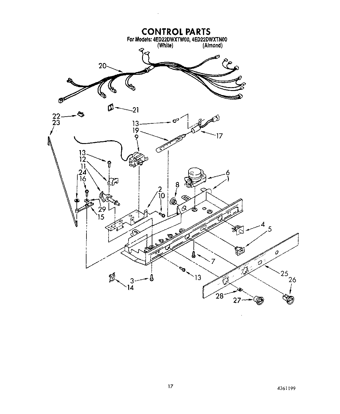
4ED22DWXTN00 13 – CONTROLadmin2025-04-26T13:04:57+00:004ED22DWXTN00 13 – CONTROL ProductsPositionProduct1Control Box2Mounting Bracket3Screw (2)4WP2149705 Whirlpool Refrigerator Door Switch5WP938213 Whirlpool Refrigerator Power Switch6Defrost Timer, (10 Hr.)7489392 Whirlpool Refrigerator Screw8940014 Whirlpool Refrigerator Primary Button Plug9WP2198202 Whirlpool Refrigerator Temperature Thermostat10WP965173 Whirlpool Dishwasher Screw11Cam Assembly121110560 Whirlpool Refrigerator Bearing13W11624204 Whirlpool Screw14Retainer, Damper15Pivot Arm16627068 Whirlpool Refrigerator Screw17Light Socket19WP548049 Whirlpool Refrigerator Light Bulb20Control Box Harness21WP1115374 Whirlpool Refrigerator Clip22CLIP, WIRING23Connecting Rod24Fastener, Push-On25Escutcheon, Control Box262182111 Whirlpool Refrigerator Thermal Knob27Knob, Air Control28Knob, Retainer29489203 Whirlpool Refrigerator Washer