4ED25PWXWN01 14 – ICEMAKER, LIT/OPTIONAL

4ED25PWXWN01 14 – ICEMAKER, LIT/OPTIONAL

Products

PositionProduct
350930 Whirlpool White Spray Paint
350942 Whirlpool Spray Paint
Enamel, Black (1 Qt. Uncut)
285006 Whirlpool Spray
WPL LIT1129720
WPL LIT2148254
WPL LIT628107
WPL LIT2148369
799344 Whirlpool Refrigerator Paint
350956 Whirlpool Spray Assembly
WPL LIT4361049
Almond (Uncut)
Leveler (Thinner)
WPL LIT1129772
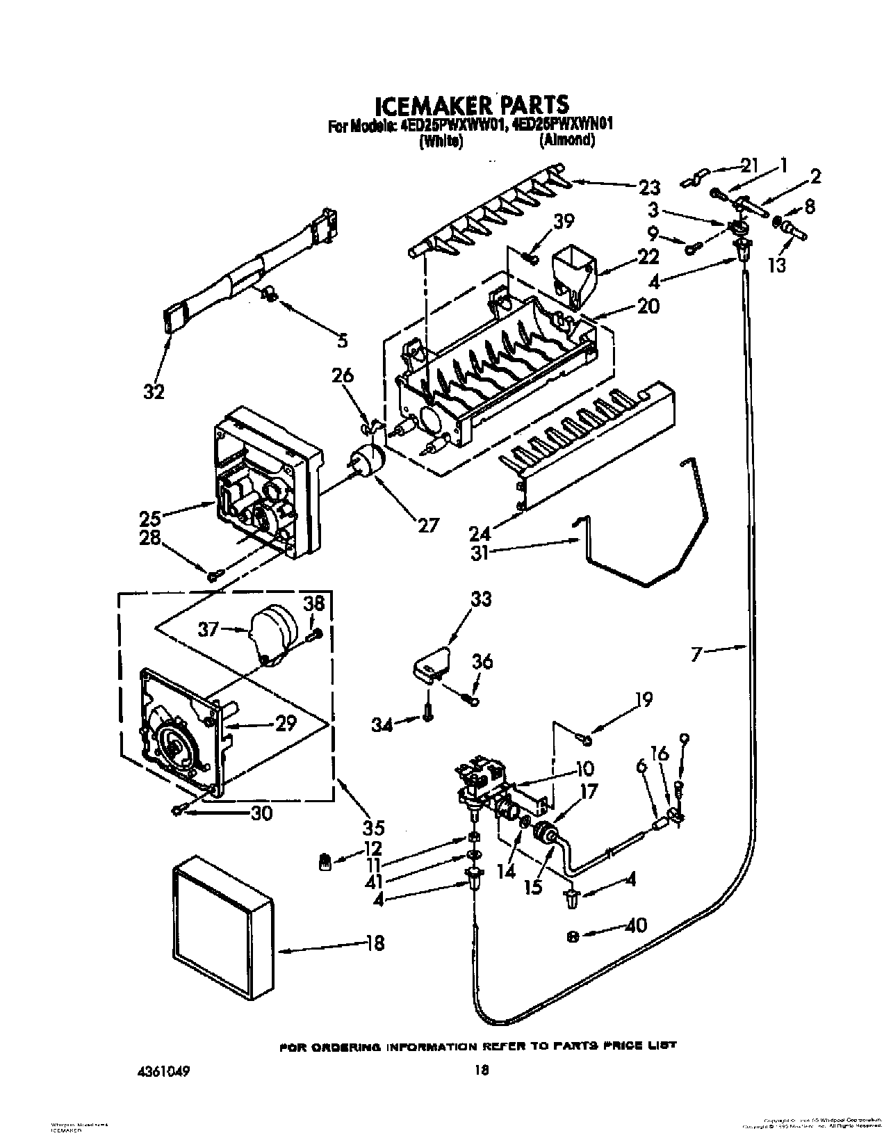
2WP2196157 Whirlpool Fill Tube
3WP488878 Whirlpool Refrigerator Tube Clamp
44387491 Whirlpool Refrigerator Insert
5WP628379 Whirlpool Refrigerator Clip
6WP2158826 Whirlpool Refrigerator Dampener
7W10823511 Whirlpool Refrigerator Water Tube
8WP1106508 Whirlpool Refrigerator Gasket
9WP489478 Whirlpool Refrigerator Screw
104318046 Whirlpool Dual Water Inlet Valve
11WP627018 Whirlpool Refrigerator Nut
12Wire Connector
13Tube, Water Inlet
14WP16123 Whirlpool Washer
15Tube, Inlet Valve
16Clamp Tube
17Nut, Valve
18Cover
19WPW10141625 Whirlpool Refrigerator Screw Assembly
20WPW10190929 Whirlpool Refrigerator Ice Maker Mold
21Clip
22WP628356 Whirlpool Refrigerator Fill Cup
23WP627843 Whirlpool Refrigerator Ejector Arm
24WP2182124 Whirlpool Refrigerator Stripper Arm
25WP2195914 Whirlpool Refrigerator Ice Maker Housing
26WP2315522 Whirlpool Refrigerator Clip
27WP627985 Whirlpool Icemaker Cycling Thermostat
288533917 Whirlpool Refrigerator Screw
30WP681249 Whirlpool Screw Assembly
31W11342242 Whirlpool Refrigerator Ice Level Arm
32WP2187464 Whirlpool Refrigerator Wire Harness
33W11500948 Whirlpool Refrigerator Bracket
34Screw, 8-32 x 27/64
35W10190935 Whirlpool Refrigerator Icemaker Motor Module Assembly
36Screw, 8-15 x 1/2 (4)
38489136 Whirlpool Refrigerator Screw
39WP488163 Whirlpool Refrigerator Screw
40Nut, Compression
41``O`` Ring Seal
100WP72107 Whirlpool Touchup
100511873 Whirlpool Refrigerator Paint
100TAPE, VINYL (3/4 X 108``)
10072017 Whirlpool Appliance Touch-Up Paint White
100833938 Whirlpool Refrigerator Terminal
100212643 Whirlpool Refrigerator Permagum Sealer
100606755 Whirlpool Refrigerator Bag
100876370 Whirlpool Refrigerator Insulation
100WP503695 Whirlpool Refrigerator Sealer
100WP505587 Whirlpool Refrigerator Sealer
100WPL 876029
100WP542638 Whirlpool Refrigerator Grease
10072032 Whirlpool Touch Up Paint Black
1004317943 Whirlpool Refrigerator Ice Maker Assembly
100CEMENT, ALUMILASTIC (1 1/4 OZ.)
100WPL 799833
100Transformer (115-230 Volt)