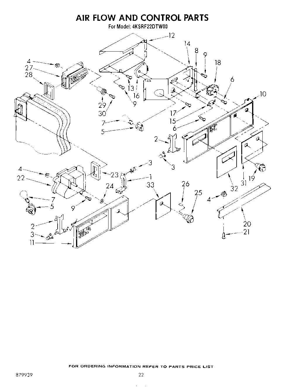
4KSRF22DTW00 12 – AIR FLOW AND CONTROLadmin2025-04-26T13:05:09+00:004KSRF22DTW00 12 – AIR FLOW AND CONTROL
Products
| Position | Product |
|---|
| 1 | Support, Light Lens (R.S.) |
| 2 | Support, Light Lens (L.S.) |
| 3 | Clip, Tubular |
| 4 | Grommet |
| 5 | 4387478 Whirlpool Refrigerator Light Socket |
| 6 | WP489128 Whirlpool Refrigerator Screw |
| 7 | RANGE ONLY 40W 120V APPL BULB |
| 8 | Support, Light Lens |
| 9 | W11624204 Whirlpool Screw |
| 10 | Light, Lens |
| 11 | Light Lens, Freezer |
| 12 | Box, Control |
| 13 | Screw, 8-32 x 3/8 |
| 14 | Control Box Front |
| 15 | WP938213 Whirlpool Refrigerator Power Switch |
| 16 | Defrost Timer |
| 17 | WP3388228 Whirlpool Screw |
| 18 | WP4317800 Whirlpool Refrigerator Thermostat |
| 19 | Knob, Temperature Control |
| 20 | Baffle, Liner Top |
| 21 | WP489069 Whirlpool Compactor Screw |
| 22 | Air Scoop Assembly |
| 23 | Gasket, Air Scoop |
| 24 | Retainer, Damper |
| 25 | Control Knob |
| 26 | Knob, Retainer |
| 27 | Air Diffuser Assembly |
| 28 | Gasket, Air Diffuser |
| 29 | 836667 Whirlpool Refrigerator Spacer |
| 30 | Screw, 8 x 1-1/4 (3) |
| 31 | Overlay, Light Lens (R.S) |
| 32 | Overlay, Light Lens (L.S) |
| 33 | Overlay, Light Lens (Freezer) |