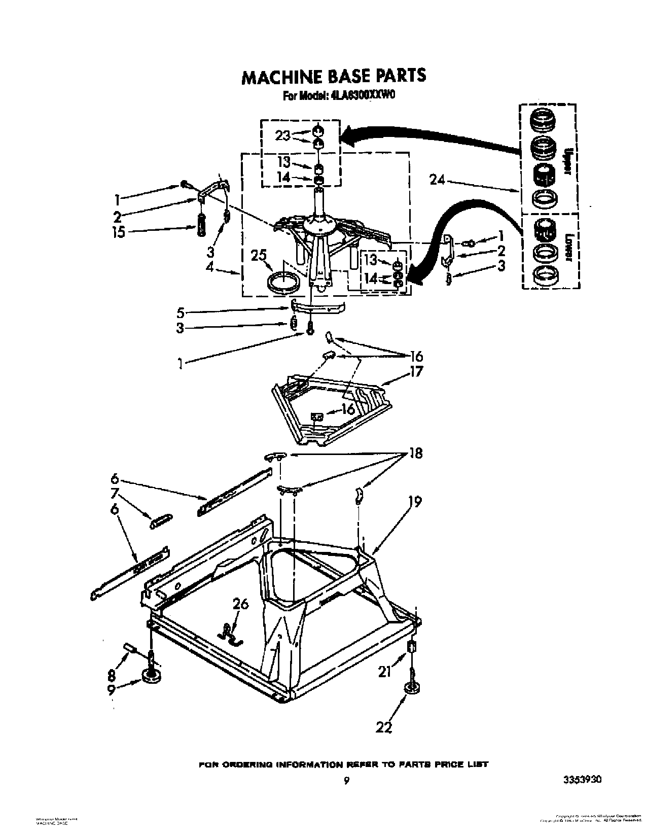
4LA6300XXF0 07 – MACHINE BASEadmin2025-04-26T13:02:13+00:004LA6300XXF0 07 – MACHINE BASE ProductsPositionProduct1WP273556 Whirlpool Screw2WP64067 Whirlpool Bracket3WP63907 Whirlpool Washer Suspension Spring4Support & Brake, Tub5Bracket, Spring Outer (L.F.)6Link, Leveling Mechanism (2)78316845 Whirlpool Washer Spring8WP62837 Whirlpool Dowel Pin9285244 Whirlpool Leveling Feet13WP8546455 Whirlpool Bearing14W11095997 Whirlpool Seal15WPW10250667 Whirlpool Washer Suspension Spring16285219 Whirlpool Washer Suspension Plate Friction Pads 3 Pack17WP3946509 Whirlpool Skate Plate18285744 Whirlpool Washer Tub Suspension Rod Kit Pad 3 Pack19285459 Whirlpool Washer Base21WP62739 Whirlpool Nut22WPW10001130 Whirlpool Leveling Leg23WP8577376 Whirlpool Seal24285203 Whirlpool CP Bearing25WP63134 Whirlpool Ring26WPW10145155 Whirlpool Retainer