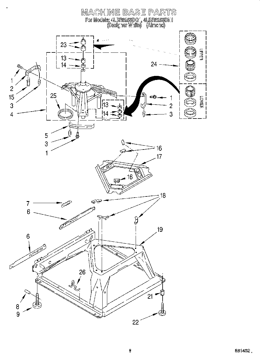
4LBR8255DN1 05 – MACHINE BASE