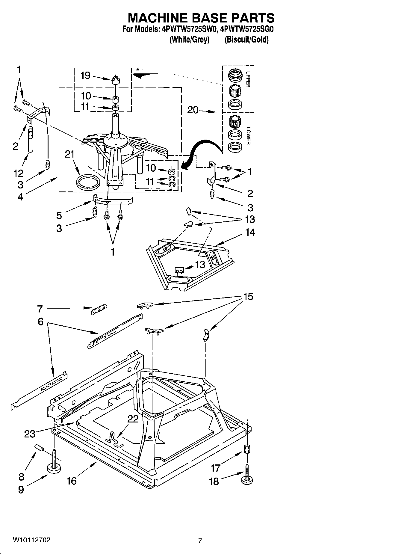
4PWTW5725SW0 04 – MACHINE BASE PARTSadmin2025-04-26T11:40:43+00:004PWTW5725SW0 04 – MACHINE BASE PARTS ProductsPositionProduct1W10846509 Whirlpool Screw2WP64067 Whirlpool Bracket3WP63907 Whirlpool Washer Suspension Spring4Support & Brake, Tub5Bracket, Spring Outer (L.F.)6Link, Leveling Mechanism (2)78316845 Whirlpool Washer Spring8WP62837 Whirlpool Dowel Pin9285244 Whirlpool Leveling Feet10WP8546455 Whirlpool Bearing11W11095997 Whirlpool Seal12WPW10250667 Whirlpool Washer Suspension Spring13285219 Whirlpool Washer Suspension Plate Friction Pads 3 Pack14WP3946509 Whirlpool Skate Plate15285744 Whirlpool Washer Tub Suspension Rod Kit Pad 3 Pack16285459 Whirlpool Washer Base17WP3359452 Whirlpool Nut18WPW10001130 Whirlpool Leveling Leg19WP8577376 Whirlpool Seal20285203 Whirlpool CP Bearing21WP63134 Whirlpool Ring22WPW10145155 Whirlpool Retainer23Cabinet -Sound Damper