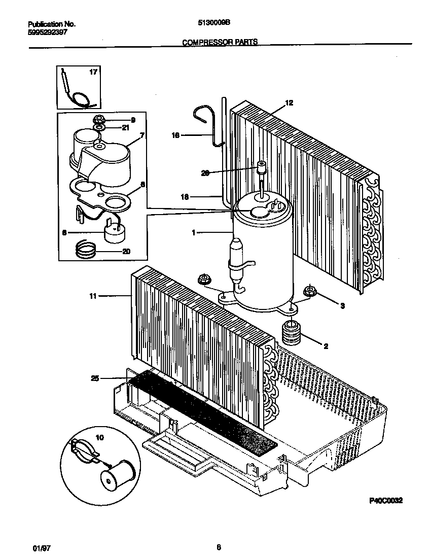
5130009B 05 – COMPRESSOR PARTSadmin2025-04-26T08:47:03+00:005130009B 05 – COMPRESSOR PARTS ProductsPositionProduct1WCI 53033070552GROMMET,COMPRESSOR MTG ,(3)3WCI 53032861644WCI 3091014016WCI 53030020357COVER-TERMINAL8WCI 53033070419WCI 530330173410STARTER KIT11WCI 530329574812WCI 30960270116Capillary Tube,45 inch long ,cut to length175300265301 Frigidaire Air Conditioner P1 Filter Drier20SPRING-OVERLOAD21WCI 530329551625WCI 530328638526WCI 5303307790