55HA-3LX 01 – BODY

55HA-3LX 01 – BODY

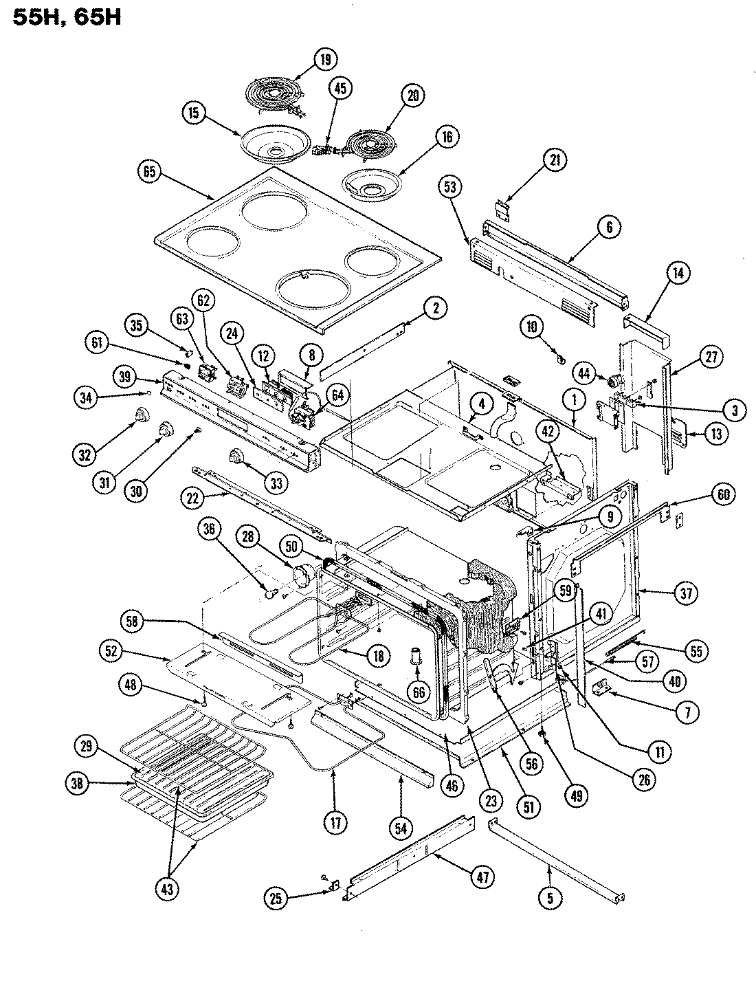
Products

PositionProduct
1MAY 4002F108-80
1MAY 1430276
2MAY 3601F106-51
3MAY 7401P002-60
4MAY 4011F082-23
5MAY 3802F076-51
6MAY 3802F071-80
7MAY 3801F017-34
8MAY 3801F193-51
9MAY 3818F022-51
9MAY 3818F021-51
9MAY 7101P289-60
9MAY 3801F218-51
9MAY 3801F049-34
9MAY 3801F047-34
10MAY 7111P002-60
11WP7112P004-60 Whirlpool Thermal Clip
11MAY 7112P019-60
12MAY 7602P097-60
13MAY 4005F302-51
14MAY 4005F005-45
15DRIP BOWL 8" W/HOLE CHROME
16WB32X107 GE Range Stove Cooktop 6" Drip Bowl Chrome Large Hole
17MAY 7406P067-60
17MAY 7406P010-60
18MAY 7406P076-60
18MAY 7406P003-60
19MAY 7406P014-60
20MAY 7406P017-60
21MAY 1430241
21MAY 7706P170-60
22MAY 4012F013-80
23MAY 2201F060-23
24MAY 7902P316-60
25MAY 8016P008-60
26MAY 7106P040-60
27MAY 4001F051-51
28MAY 4001F016-23
29MAY Y3413F01619
29MAY 3413F002-23
30MAY 7711P422-60
30MAY 7711P172-60
31MAY 7739P019-60
32MAY 7737P015-60
33WP7711P159-60 Whirlpool Thermal Knob
34W11690159 Whirlpool Handle
35MAY 7407P015-60
36MAY 7407P026-60
37MAY 4009W030-80
38MAY Y3401F02019
38MAY 3401F004-23
39MAY 2614F017-09
40MAY 2618F072-74
40MAY 2618F071-74
42MAY 7718P003-60
42MAY 3605F156-51
42PLATE, CONDUIT REINFORCEMENT
43MAY 7801P030-60
44MAY 7408P002-60
45MAY 1430306K
46MAY 3804F093-80
47NOT REQUIRED PART OR SEE NOTE FUSE (NOT REQUIRED)
48WP4159193 Whirlpool Screw
48MAY 7101P005-60
49MAY Y7101P25460
50MAY 7212P002-60
50MAY 8312P019-60
51MAY 3604F003-80
52MAY 3604F092-45
53MAY 3604F056-80
54MAY 3604F091-34
54MAY 3604F017-45
54MAY 3604F067-51
54MAY 3604W155-70
54MAY 3604W002-70
55MAY 7803P057-60
56MAY 3420A034-34
57MAY 8019P001-60
58MAY 3807F176-15
59MAY 3807F205-45
60MAY 3807F194-80
61MAY 7403P102-60
62MAY 7403P031-60