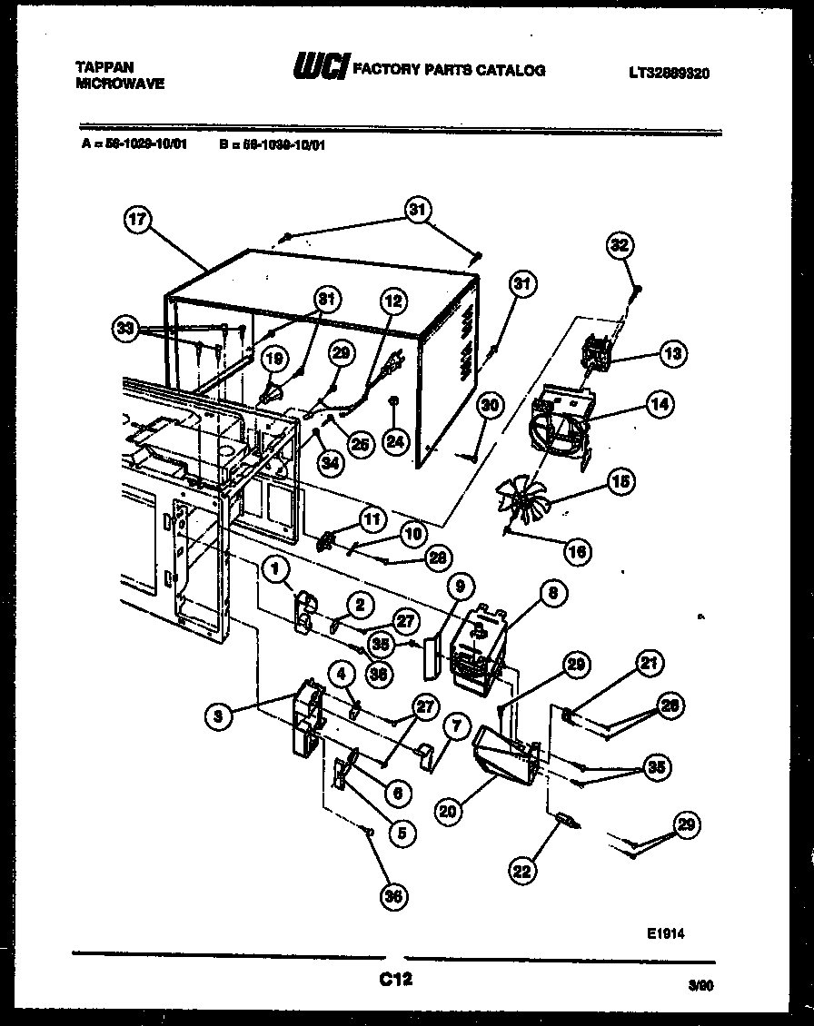
56-1039-10-01 06 – POWER CONTROLadmin2025-04-26T08:46:54+00:0056-1039-10-01 06 – POWER CONTROL ProductsPositionProduct*36009WCI 53032088801WCI 53032091733WCI 080375534SWITCH SZM - V6 FA - 325WCI 53032087956WCI 53032091707WCI 53032091728WCI 53080375419WCI 530320879710WCI 530320917411WCI 530320881312WCI 530320881413WCI 530320881514WCI 530320911715WCI 530320881716WCI Q00019843017WCI 530320881919WCI 530321001120WCI 530320912421WCI 530320882222LAMP24WCI 530321001425WCI 530320872826TAPPING SCREW27TAPPING SCREW28TAPPING SCREW29SCREW TRUSS HEAD(16)30TAPPING SCREW31131243700 Frigidaire Screw32TAPPING SCREW33WCI 530320883634WCI 530320859835SCREW-TAPPING36SCREW-TRUSS HEAD TP(2)