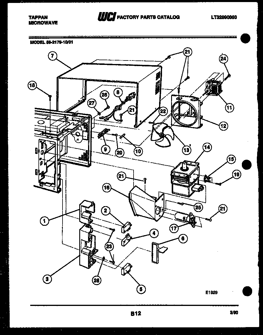
56-2179-10-01 06 – POWER CONTROLadmin2025-04-26T08:47:05+00:0056-2179-10-01 06 – POWER CONTROL ProductsPositionProduct1WCI 53032091732SWITCH3WCI 53032100684SWITCH5WCI 53032100296WCI 53032087957WCI 53032088468WCI 53032100719WCI 530320881310WCI 530320917411WCI 530321007212WCI 530321007313WCI 530321007414WCI 530320888515THERMOSTAT-MAGNETRON16WCI 530321007617LAMP18SCREW (4)19TAPPING SCREW20TAPPING SCREW21SCREW TRUSS HEAD(16)22TAPPING SCREW23SCREW-TRUSS HEAD TP(2)24TAPPING SCREW25SCREW-TAPPING26SCREW-COVER (3)27WCI 530320859828WCI 5303209131