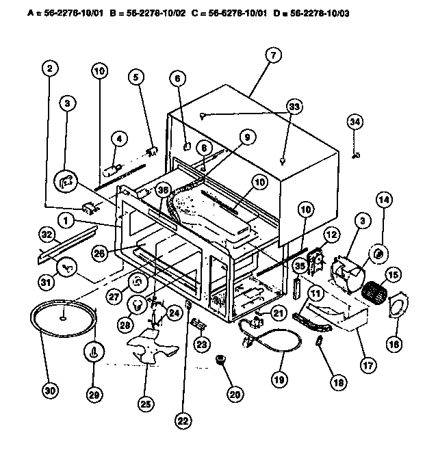
56-2278-10-01 04 – WRAPPER/BODYadmin2025-04-26T08:46:17+00:0056-2278-10-01 04 – WRAPPER/BODY ProductsPositionProduct1WIRING HARNESSES ARE NOT AVAILABLE FOR THIS MODEL2SWITCH-MONITOR (ALMD)33203010 Frigidaire Clip4BULB5WCI 30140746CLIP - WRAPPER7WRAPPER8SPACER9DUCT-AIR FOAM10SEAL (1/4 X 1/4)11SEAL (1/2 X 3/4)12WCI 301167713WCI 301286814WCI 301327015WCI 309150116COVER HOUSING17WCI 301219718CLIP19WCI 301186220WCI 301409721FUSE22BEZEL - LATCH (ALMD)23WCI 301155524KIT - STIRRER SUPT25WCI 320159826GLASS - TRAY27PLUG BUTTON28WCI 301362829RIVET - COVER30COVER STIRRER (ALMD)31CLIP - BAFFLE32BAFFLE - AIR W/ CLIPS33PLUG BUTTON-WRAPPER (2)34SCREW - WRAPPER (10)35WCI 301113136WCI 3201494