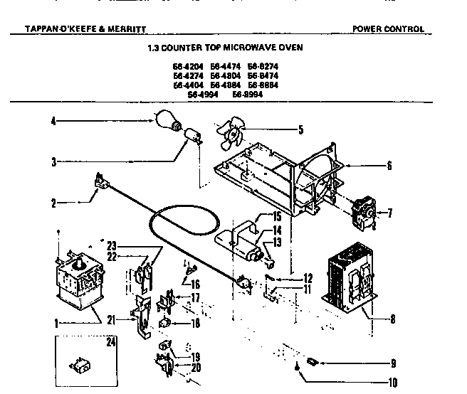
56-4204-10-02 04 – POWER CONTROL