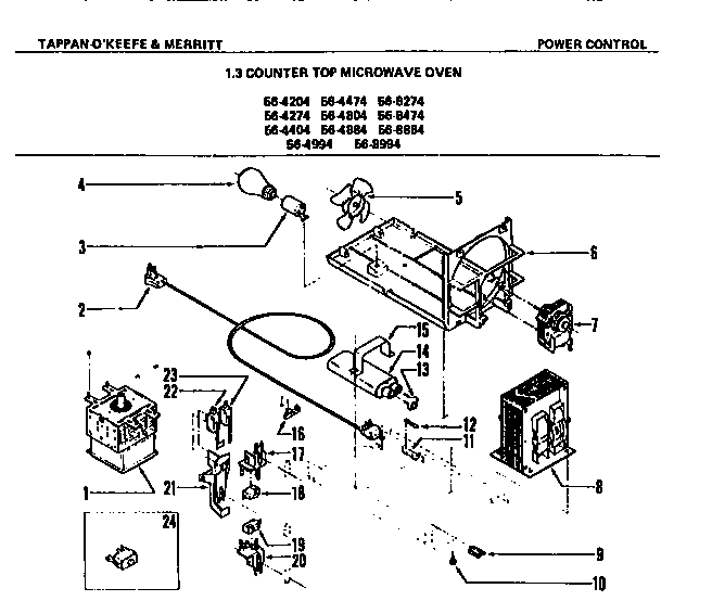
56-4274-10-02 04 – POWER CONTROLadmin2025-04-26T08:46:08+00:0056-4274-10-02 04 – POWER CONTROL ProductsPositionProduct*18443WCI 299T405S353*18457WCI 299T400S176*18458WCI 299T405S368*18447WCI 299T400S220*18459WCI 299T405S314*18446SWITCH-THERMAL CUTOUT (4804,4884,4994,8884,8994)*18444WCI 16GR30-12MJ1*18442WCI 299T405S330*18441WCI 299T405S316*18440WCI 299T405S380*18445WCI 16GR30-5MJ1*18456WCI 299T405S3171WCI 116T423P022CORD, POWER2WCI 171T035P013WCI 662T027P024316538904 Frigidaire Oven Lamp Light5BLADE - FAN5FAN BLADE TRANSFORMER6WCI 211T051P016WCI 211T051P026WCI 211T051P037WCI 115T463P027WCI 636T095P497HEX NUT-TERM BLOCK DISC ASSY 6-32 (NON-ILLUSTRATED)8WCI 115T737P038WCI 115T737P069FASTNR WIRE CLIP10SCREW, TRANS (4)10SCRW. TRANSFORMR. MTG. 1/4-20 X 1/2`` (4)11RECEPT-FUSE12WCI 262T017P0112WCI 115T262P0113DIODE HV13WCI 198T020P0114WCI 157T029P0414CAPACITOR HV15WCI 612T122F0115WCI 612T108F0116WCI 262T015P0217WCI 072T774S1017WCI 072T774S1417WCI 072T774S0219WCI 115T695P0319WCI 695T186P0120WCI 072T774S0120WCI 072T774S1320WCI 072T774S0920WCI 072T826S0121WCI 072T775P0122WCI 115T695P0622WCI 695T186P0423WCI 115T695P0423WCI 695T186P0224WCI 115T695P13