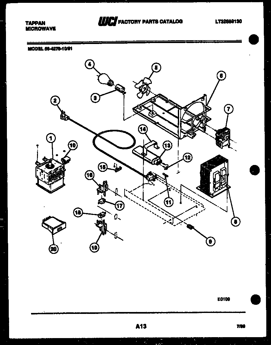
56-4278-10-01 04 – POWER CONTROLadmin2025-04-26T08:46:15+00:0056-4278-10-01 04 – POWER CONTROL ProductsPositionProduct*26227WCI 30182511WCI 30116732WCI 080376293SOCKET4316538904 Frigidaire Oven Lamp Light5WCI 32031926DUCT - AIR7MOTOR8WCI 080376269CLIP10WCI 301295011FUSE12WCI 309130313CAPACITOR14WCI 301377315WCI 309128017SWITCH-UPPER18SWITCH - LOWER19BRACKET - SWITCH20SWITCH-MONITOR (WHITE)