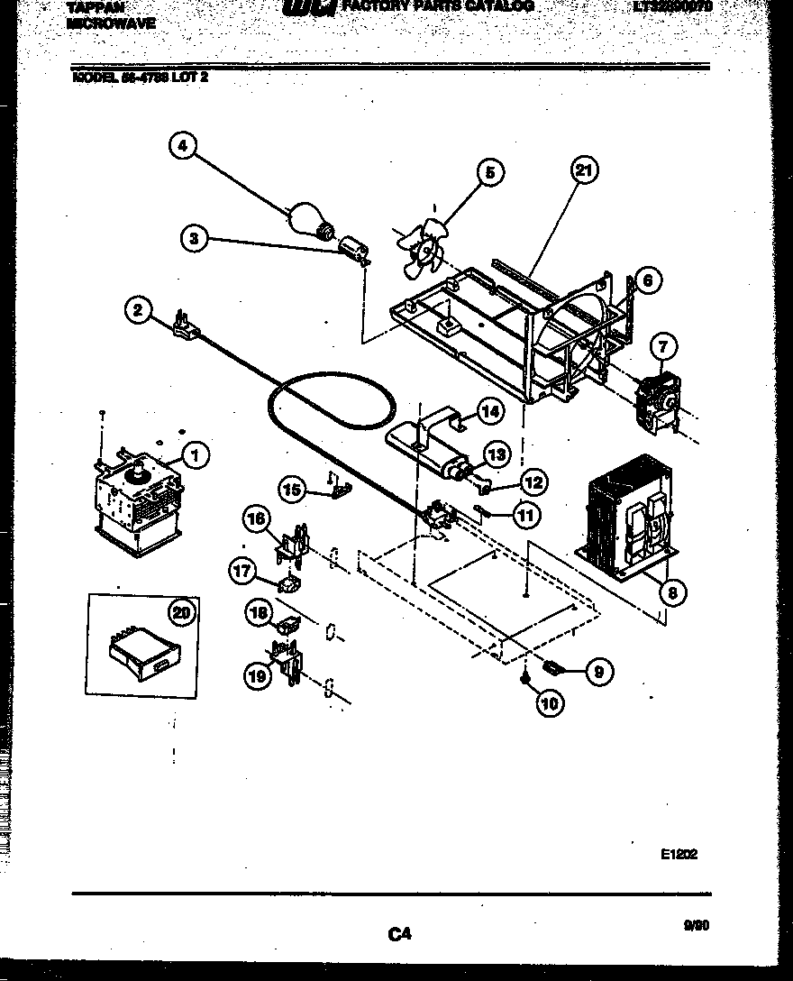
56-4788-10-02 04 – POWER CONTROLadmin2025-04-26T08:46:23+00:0056-4788-10-02 04 – POWER CONTROL ProductsPositionProduct*41200HARNESS-BROWNER*41200DIAGRAM-WIRING (NOT FOR PURCHASE)*41200WCI 5303018251*41201INSULATOR1WCI 53032067812CORD-POWER3WCI 53030911974316538904 Frigidaire Oven Lamp Light5WCI 53032031926DUCT-AIR7WCI 53080376368WCI 53080376269CLIP10SCREW - TRANS (4) (NON-ILLUSTRATED)11FUSE-20 AMP12DIODE HIGH VOLTAGE13CAPACITOR - HV14WCI 530301377115WCI 530309128018WCI 530320363619BRACKET (2)20SWITCH-MONITOR21SEAL-FOAM CUT TO SIZE