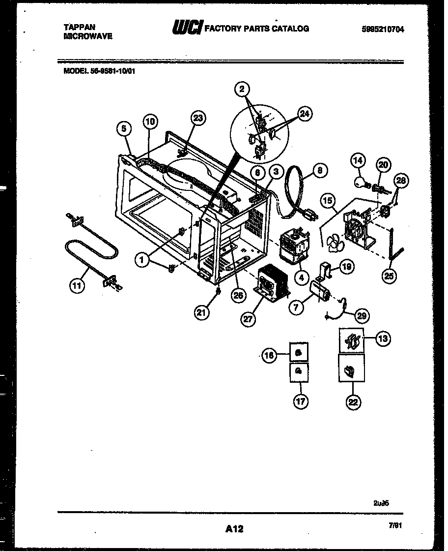
56-9581-10-01 04 – FUNCTIONAL PARTSadmin2025-04-26T08:49:05+00:0056-9581-10-01 04 – FUNCTIONAL PARTS ProductsPositionProduct*54772HARNESS-WIRING, .8, BROWNER*54771WCI 53032730711WCI 53032127672BRACKET (2)3WCI 53032127694WCI 53032067815SWITCH-MONITOR6FUSE-20 AMP7WCI 53032127738WCI 530321277410WCI 530321278311WCI 530321278513WCI 530321278714LAMP-120V15WCI 530392205316PLUG-BUTTON17PLUG-BUTTON TRAY (2)19WCI 530301377120SOCKET, OVEN LAMP, 120V21FOOT (4)22SUPPORT RACK (8)23WCI 530320210724WCI 530320363625SEAL-FOAM CUT TO SIZE26WCI 530321284527WCI 530321281128SCREW-6-32 X 1-1/8 PH TR SEMS (NON-ILLUSTRATED)29WCI 5303212799