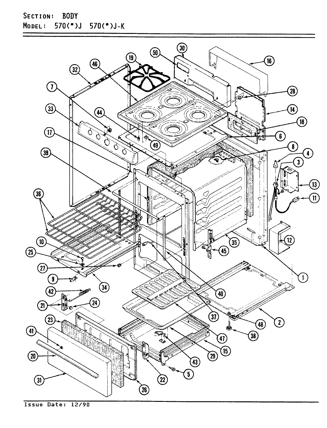
570AJ-K 01 – BODY