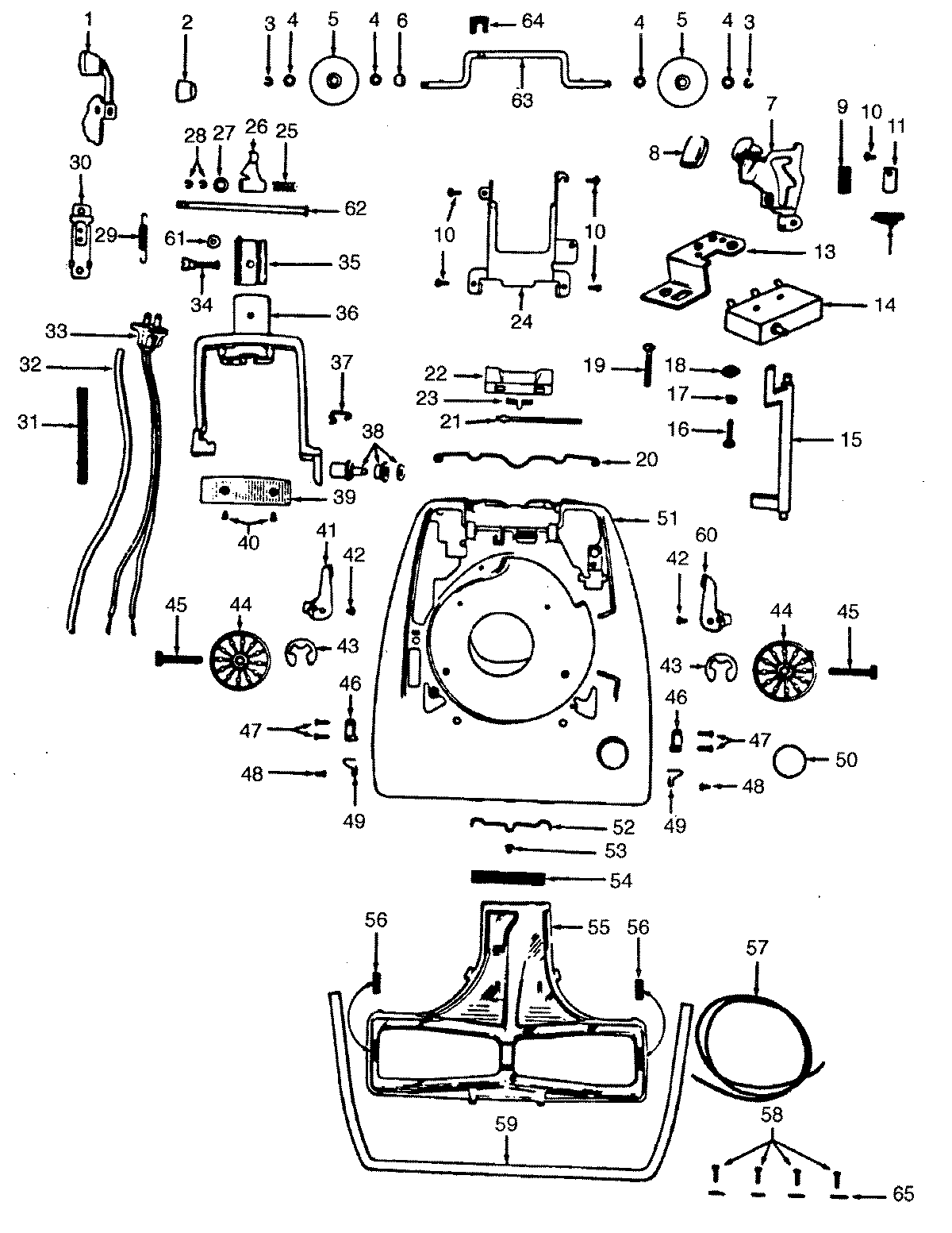
589 05 – MAINBODYadmin2025-04-26T12:03:13+00:00589 05 – MAINBODY ProductsPositionProduct1MAY 161511AY1MAY 161571JM2MAY 384260723MAY 017207AZ4MAY 213127725MAY 385210416MAY 311480047MAY 431375037MAY 431370368MAY 384260809MAY 012559FW10MAY 2176708210MAY 808241--11MAY 3466500712MAY 047450AY13MAY 018589--14MAY 013890--14MAY 019513AG15MAY 018588--16MAY 012892--17MAY 014287--18MAY 014199--19MAY 014279--20MAY 034344FW20MAY 708304--21MAY 017465AY22MAY 034350--22MAY 80818423MAY 045191--24MAY 3643507424MAY 3643501625MAY 048409FW26MAY 019907--27MAY 161507--29MAY 161513--30MAY 161514--31MAY 3831302332MAY 3172702333MAY 023296AG34MAY 3222750434MAY 48294AW-35MAY 3546300235MAY 3472750236MAY 4141603036MAY 4141651037MAY 3944203038MAY 011735--39MAY 034192--39MAY 3725853240MAY 166648AW41MAY 3544600342MAY 012456--43MAY 013730--44MAY 34791AG-45MAY 047457AY45MAY 4224206246MAY 3435500247MAY 048422-48MAY 3224300149MAY 047259AY50MAY 5166100851MAY 168340DL51MAY 4224206452MAY 034439--53MAY 161882--54MAY 047237--55MAY 167238--56MAY 3411100157MAY 3171800158MAY 12997AW-59MAY 017458JM59MAY 16974JM-59MAY 168497JM59MAY 3623150160MAY 3544600562MAY 161509AY63MAY 3315200363MAY 4191550163MAY 161512FW64MAY 3425200565MAY 023878--66MAY 670839--66MAY 670029--66MAY 669548--66MAY 663678--66MAY 661059--66MAY 641980--66MAY 669814--66MAY 808249