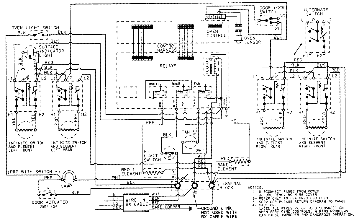
5892VVA 07 – WIRING INFORMATIONadmin2025-04-26T12:02:42+00:005892VVA 07 – WIRING INFORMATION ProductsPositionProductNIMAY 15001375