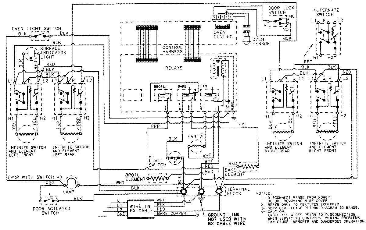
5892VVV 07 – WIRING INFORMATIONadmin2025-04-26T12:02:10+00:005892VVV 07 – WIRING INFORMATION ProductsPositionProductNIMAY 15001375