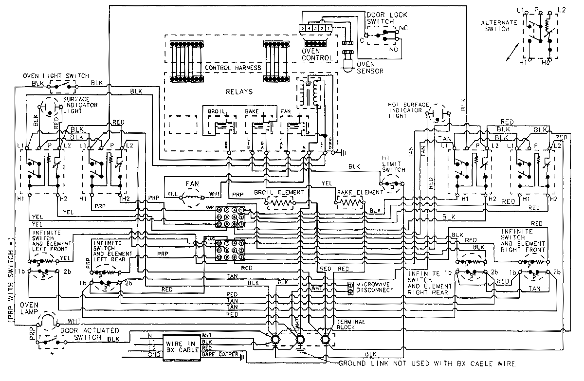
5898VVA 07 – WIRING INFORMATIONadmin2025-04-26T11:26:39+00:005898VVA 07 – WIRING INFORMATION ProductsPositionProductNIMAY 15001408