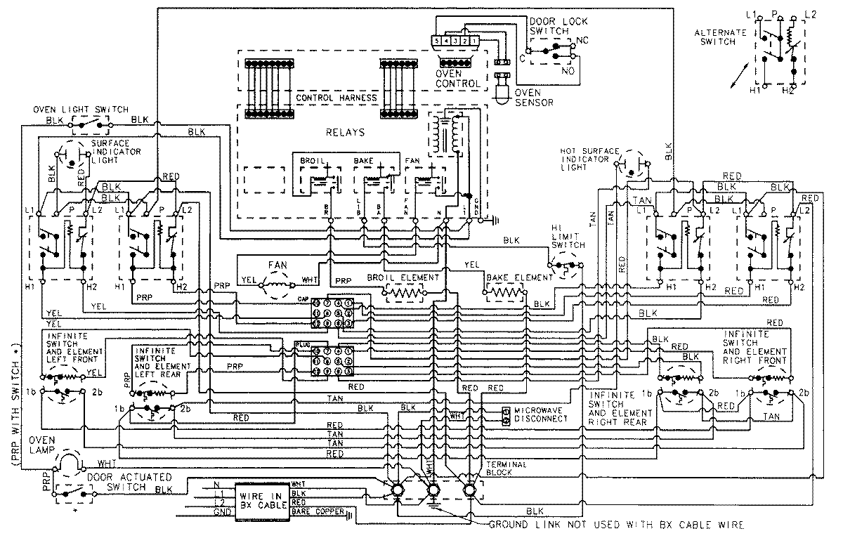
5898VVV 07 – WIRING INFORMATIONadmin2025-04-26T12:01:20+00:005898VVV 07 – WIRING INFORMATION ProductsPositionProductNIMAY 15001408