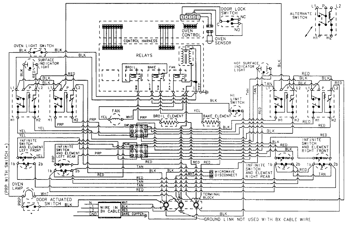
5898XVB 07 – WIRING INFORMATIONadmin2025-04-26T12:02:57+00:005898XVB 07 – WIRING INFORMATION ProductsPositionProductNIMAY 15001408