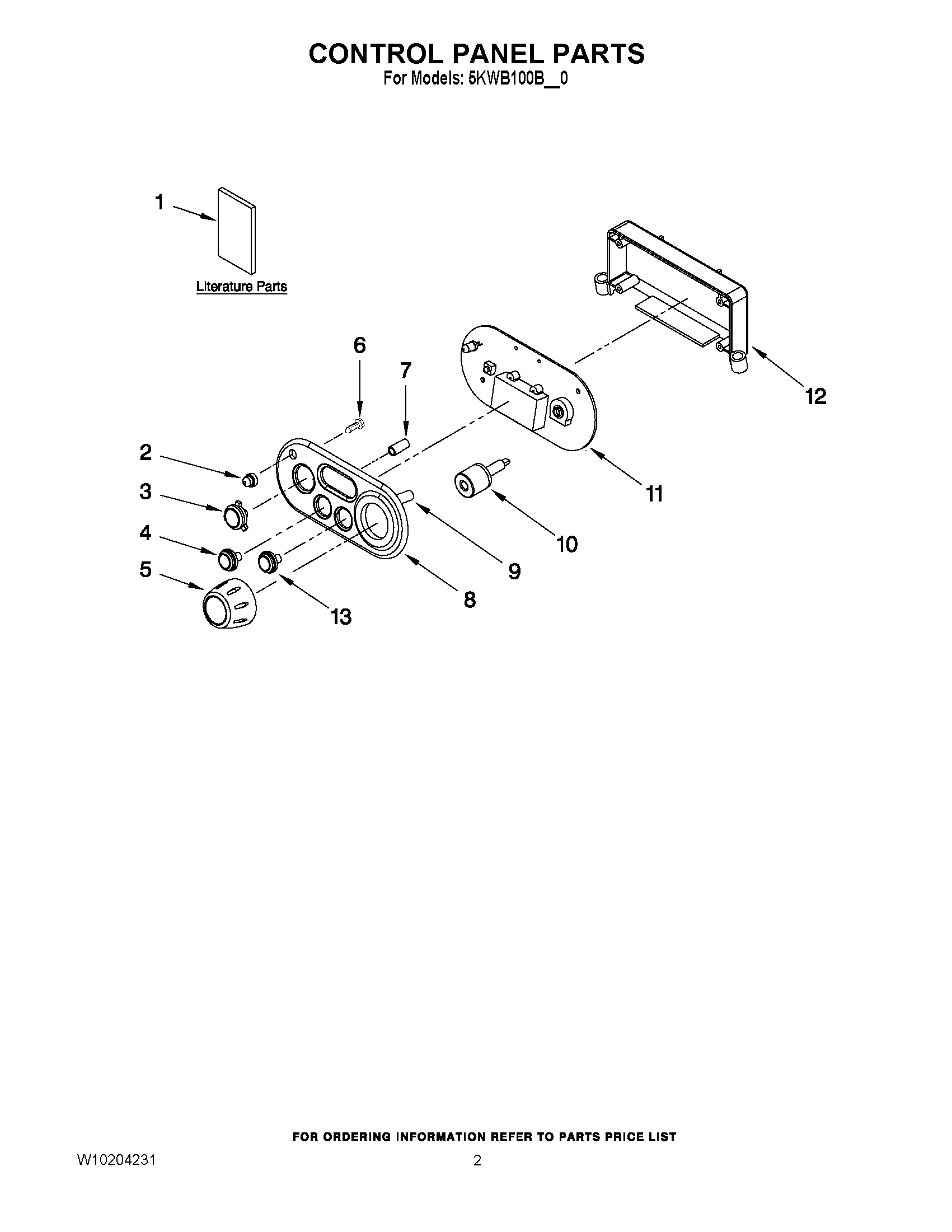
5KWB100BAC0 01 – CONTROL PANEL PARTSadmin2025-04-26T10:45:26+00:005KWB100BAC0 01 – CONTROL PANEL PARTS ProductsPositionProduct1Guide, Use & Care1Repair Parts List1Wiring Diagram2LENS, LED3BUTTON, POWER (EUROPEAN)4BUTTON, START (EUROPEAN)5Knob6SCREW78211508 Whirlpool Cover8Bezel9SPRING10BRACKET, KNOB11MCU PCB ASSEMBLY12HOLDER, PCB13Button, Reset