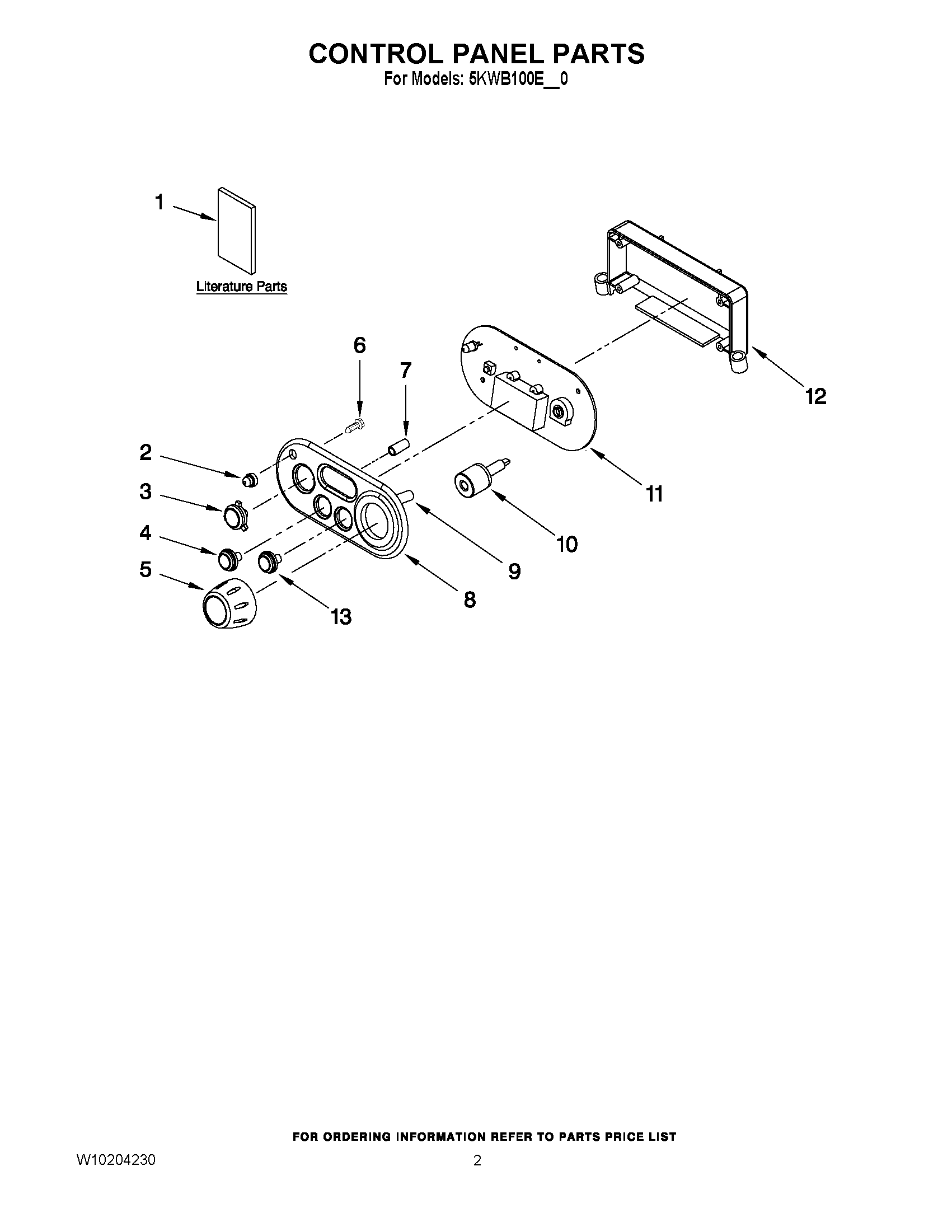
5KWB100EPM0 01 – CONTROL PANEL PARTSadmin2025-04-26T10:48:22+00:005KWB100EPM0 01 – CONTROL PANEL PARTS ProductsPositionProduct1Repair Parts List1Guide, Use & Care1Wiring Diagram2LENS, LED3BUTTON, POWER (EUROPEAN)4BUTTON, START (EUROPEAN)5Knob6SCREW78211508 Whirlpool Cover8Bezel9SPRING10BRACKET, KNOB11MCU PCB ASSEMBLY12HOLDER, PCB13Button, Reset