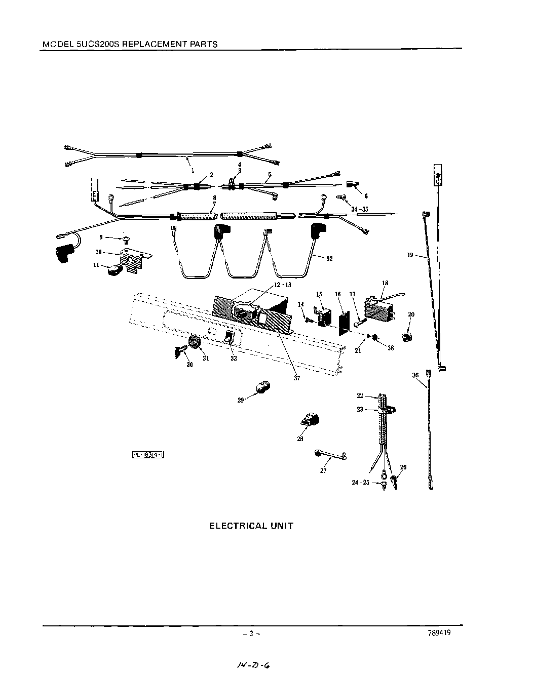
| 1 | Harness - Wiring (Ram Switch to Key Switch) |
| 2 | Clip - Cable |
| 3 | Clamp - Speed (Wiring) |
| 5 | Harness - Wiring (Air Filter Switch to Fan Motor) |
| 7 | Retainer-Wire |
| 8 | Harness-Main Wiring |
| 9 | Self-Tapping Screw - No.10-24 x 1/2`` Phil. Pan Hd., Type TT |
| 10 | Bracket - Strain Relief Bushing |
| 12 | Switch - Key Lock |
| 13 | Lock Washer - 5/8`` Ext. Shakeproof |
| 14 | Mach. Screw - No.4-40 x 5/8`` Rd. Hd |
| 15 | Switch - Ram |
| 16 | Baffle - Ram Switch |
| 17 | Self-Tapping Screw 6-32 x 7/8 Phil. Pan Hd., Type F |
| 18 | Switch - Directional |
| 19 | Harness - Wiring (Motor to Directional Switch) |
| 20 | Bushing - Snap (Open/Closed) |
| 21 | Lock Washer - No.4 Ext. Shakeproof |
| 22 | Cord (No Plug) |
| 23 | Retainer - Wiring |
| 26 | Wire Connector |
| 27 | Retainer-Wire |
| 28 | Bushing-Strain Relief (Straight) |
| 29 | Bushing-Strain Relief (90 deg) |
| 30 | Key - Compactor |
| 31 | Nut - Decorative Face |
| 32 | Harness-Power Distribution |
| 33 | Switch, Fan-2 Position |
| 34 | Self-Tapping Screw 10-16 x 1/2 Phil. Rd. Hd., Type AB |
| 35 | Lock Washer |
| 36 | WPL C241450 |
| 37 | WPL C241942 |
| 38 | Mach. Nut 4-40 Hex |