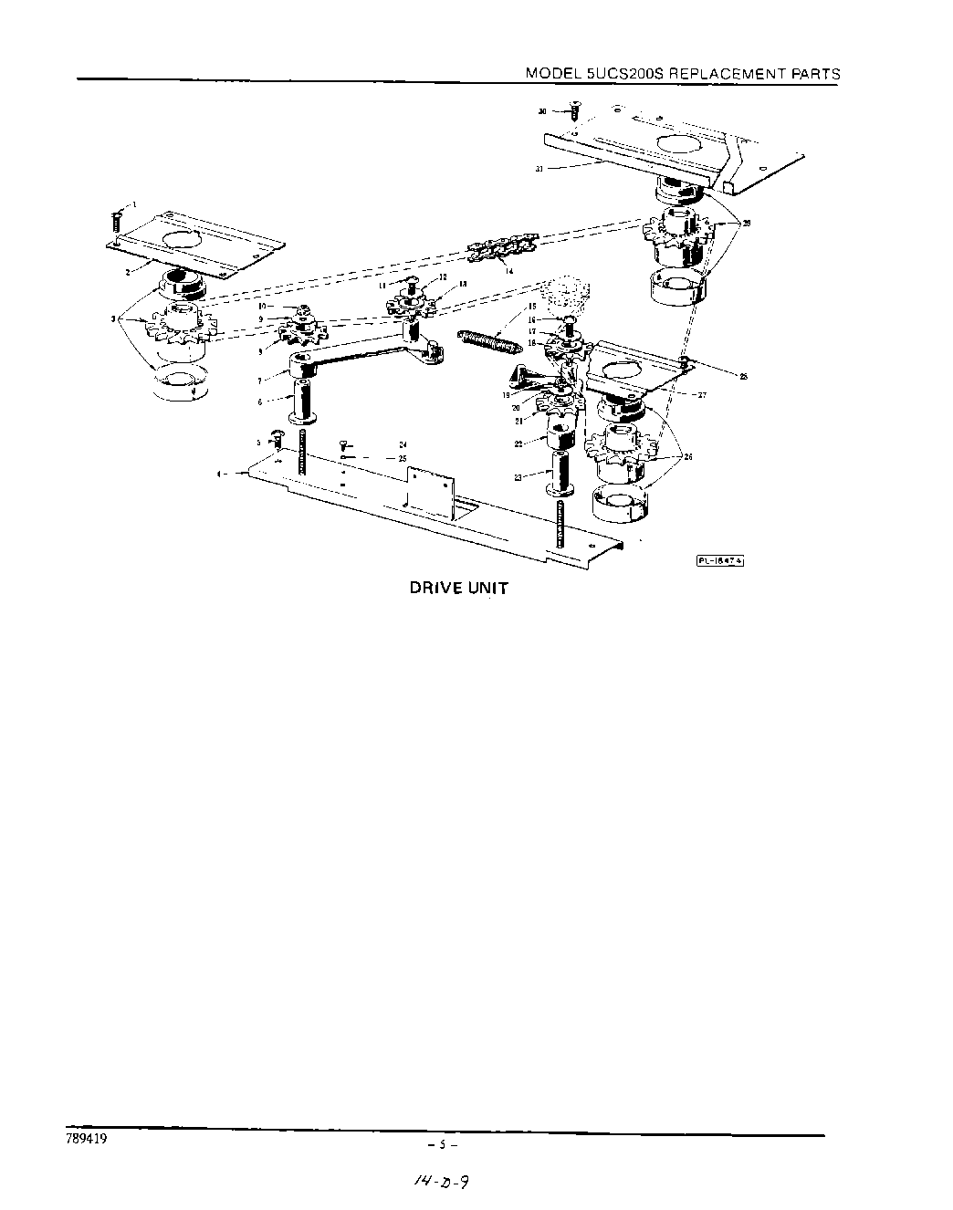
| 2 | Cover - Drive Sprocket (L.H.) |
| 4 | Weld Screw & Idler Plate Assy |
| 7 | Arm - Pivot Idler (L.H.) |
| 14 | Chain - No.35 |
| 15 | Spring - Chain Tension Regulator |
| 16 | Self-Tapping Screw No.8 x 5/16`` Phil. Rd. Hd., Type BF |
| 19 | Lock Nut No.10-32 Flange ``Whiz-Lock`` |
| 20 | Washer |
| 21 | Sprocket - Idler (10T) |
| 22 | Arm - Pivot Idler (R.H.) |
| 23 | Bushing - Idler |
| 24 | Self-Tapping Screw 10-16 x 1/2 Phil. Rd. Hd., Type AB |
| 25 | Lock Washer |
| 27 | Cover - Drive Sprocket (R.H.) |
| 29 | Sprocket & Bearing Kit (15T) |
| 30 | Self-Tapping Screw - No.10-24 x 1/2`` Phil. Pan Hd., Type TT |
| 31 | Cover - Drive Sprocket (Rear) |