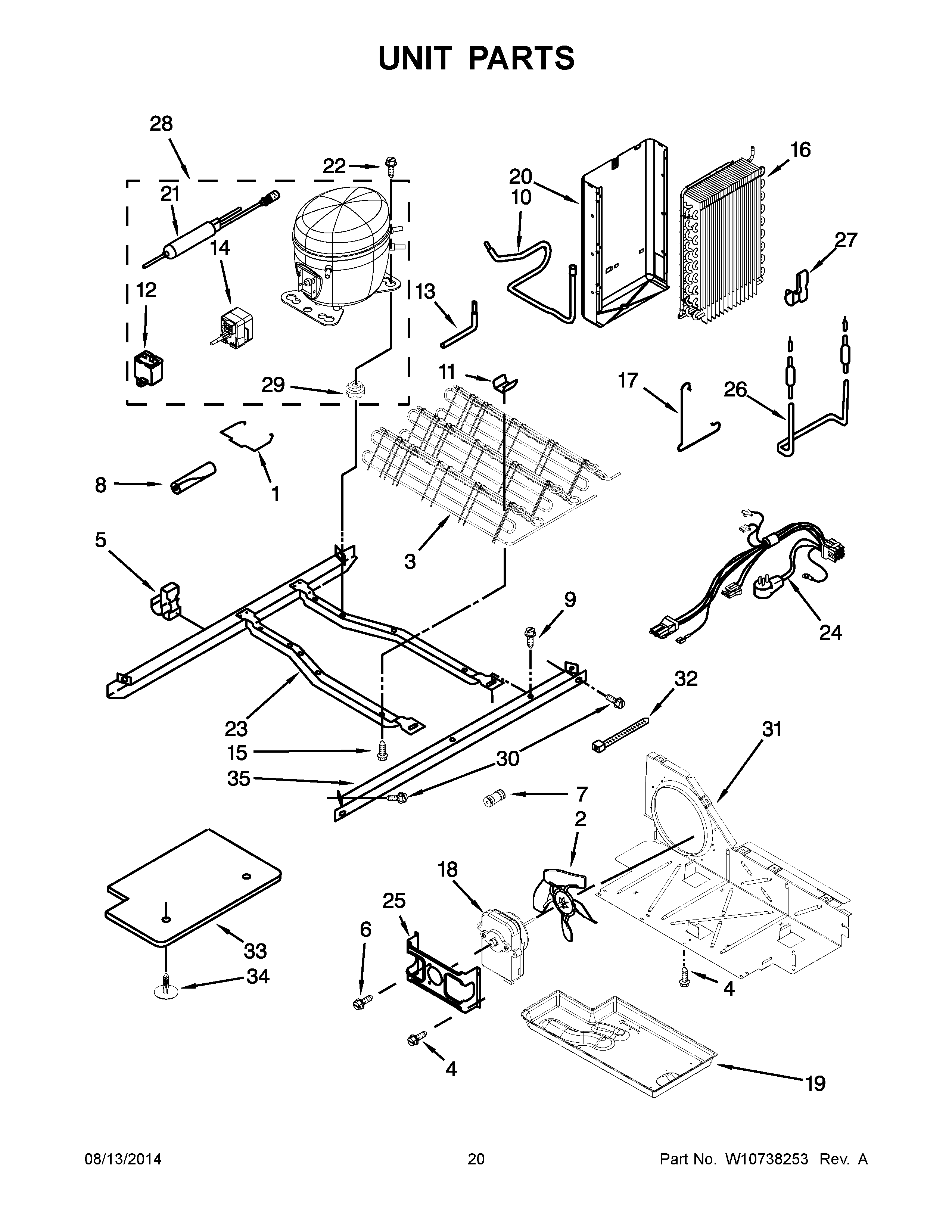
5WRS22FDBF02 11 – UNIT PARTS

5WRS22FDBF02 11 – UNIT PARTS

Products

PositionProduct
NICABINET (NOT A SERVICEABLE PART)
NICORD ADAPTER, BRITISH
NI10A CORD LOCK
NICORD ADAPTER, EUROPEAN
NICORD ADAPTER, AUSTRAILIAN
NIVALVE, ACCESS (1/2``)
NIWP978025 Whirlpool Refrigerator Valve
NI978030 Whirlpool Refrigerator Valve
NIVALVE, ACCESS (5/8``)
NI876764 Whirlpool Refrigerator Primary Valve
NI978026 Whirlpool Refrigerator Primary Valve
NI978027 Whirlpool Refrigerator Primary Valve
1Strap, Bale
2W10156818 Whirlpool Refrigerator Fan Blade
32324712 Whirlpool Refrigerator Condenser
4WP489464 Whirlpool Refrigerator Screw
5W10812039 Whirlpool Clip
6WP8533993 Whirlpool Refrigerator Screw
7WP2300868 Whirlpool Refrigerator Fitting
8SLEEVE
9WP489427 Whirlpool Refrigerator Screw
102205764 Whirlpool Refrigerator Tube
11W10683556 Whirlpool Refrigerator Clip
122321245 Whirlpool Refrigerator Capacitor
13W10858105 Whirlpool Refrigerator Tube
14WP2312007 Whirlpool Refrigerator Start Device
15W11544659 Whirlpool Refrigerator Screw
16WP2188822 Whirlpool Refrigerator Evaporator
18W10837641 Whirlpool Refrigerator Condenser Motor
19WPW10614158 Whirlpool Refrigerator Evaporator Tray
20WPW10194474 Whirlpool Refrigerator Shield
21WPW10143759 Whirlpool Dryer Filter
22SCREW
232304903 Whirlpool Refrigerator Frame
24HARNESS, UNIT
25WP2181929 Whirlpool Refrigerator Bracket
26WPW10123612 Whirlpool Heater Assembly
27Clamp
28W10183407 Whirlpool Refrigerator Compressor
29WPW10169124 Whirlpool Refrigerator Grommet
30489340 Whirlpool Refrigerator Screw
31BAFFLE, AIR
32WPW10339879 Whirlpool Wire Tie
33UNIT COVER, BOTTOM
34489396 Whirlpool Refrigerator Clip
35W10207512 Whirlpool Rail Unit