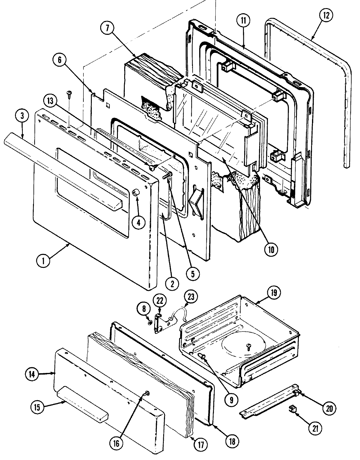
6157WTW 02 – DOOR/DRAWER (6157WT)admin2025-04-26T11:31:42+00:006157WTW 02 – DOOR/DRAWER (6157WT) ProductsPositionProduct1MAY 2401F097-712MAY 7201P017-603MAY 7701P030-604MAY 8010P084-605MAY 7101P080-606MAY 3601F219-457MAY 4804F011-608MAY 7103P022-609MAY 7113P012-6010MAY 7907P015-6011MAY 2402W185-1912MAY 7212P034-6013MAY 7101P290-6014MAY 2403F028-7115MAY 7701P012-601674002481 Whirlpool Screw17MAY 4804F025-6018MAY 2404F035-1919MAY 3407F012-1920MAY 3404F023-5120MAY 3404F022-5121MAY 8016P011-6021MAY 8016P012-6022MAY 3418F079-5122MAY 3418F080-5123MAY 7803P064-6023MAY 7803P065-60