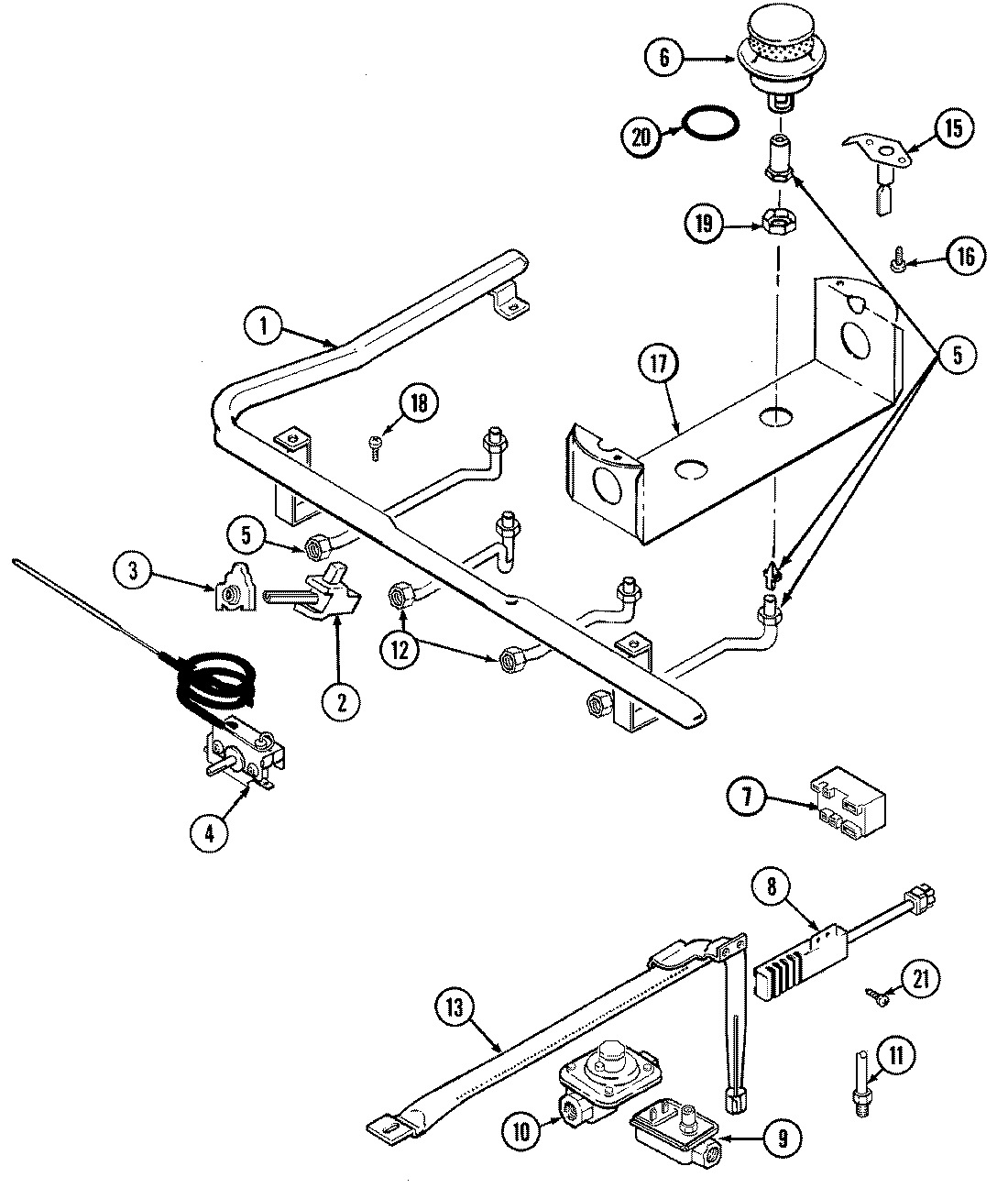
6157WTW 03 – GAS CONTROLSadmin2025-04-26T11:30:18+00:006157WTW 03 – GAS CONTROLS ProductsPositionProduct1MAY 7513P160-602MAY 7502P250-603WP7403P279-60 Whirlpool Igniter Switch4MAY 4005F433-514MAY 7404P087-604MAY 7101P280-605MAY 7507P087-606MAY 3412D018-097MAY 7431P023-607MAY 3807F432-458MAY 7432P076-609MAY 7501P099-609MAY 7103P130-6010MAY 7510P050-6010MAY 7507P123-6010MAY 8020P007-6011MAY 3414F104-4412MAY 7507P089-6012MAY 7507P086-6013MAY 3403D023-4514MAY 7101P290-6015NOT REQUIRED PART OR SEE NOTE FUSE (NOT REQUIRED)16MAY 7101P315-6017MAY 3807F451-4518MAY 7101P296-6019MAY 7103P119-6020MAY 7201P050-6021SCREW (10-24X5/16-NI)22MAY 5140D038-6022MAY 5125A312-60