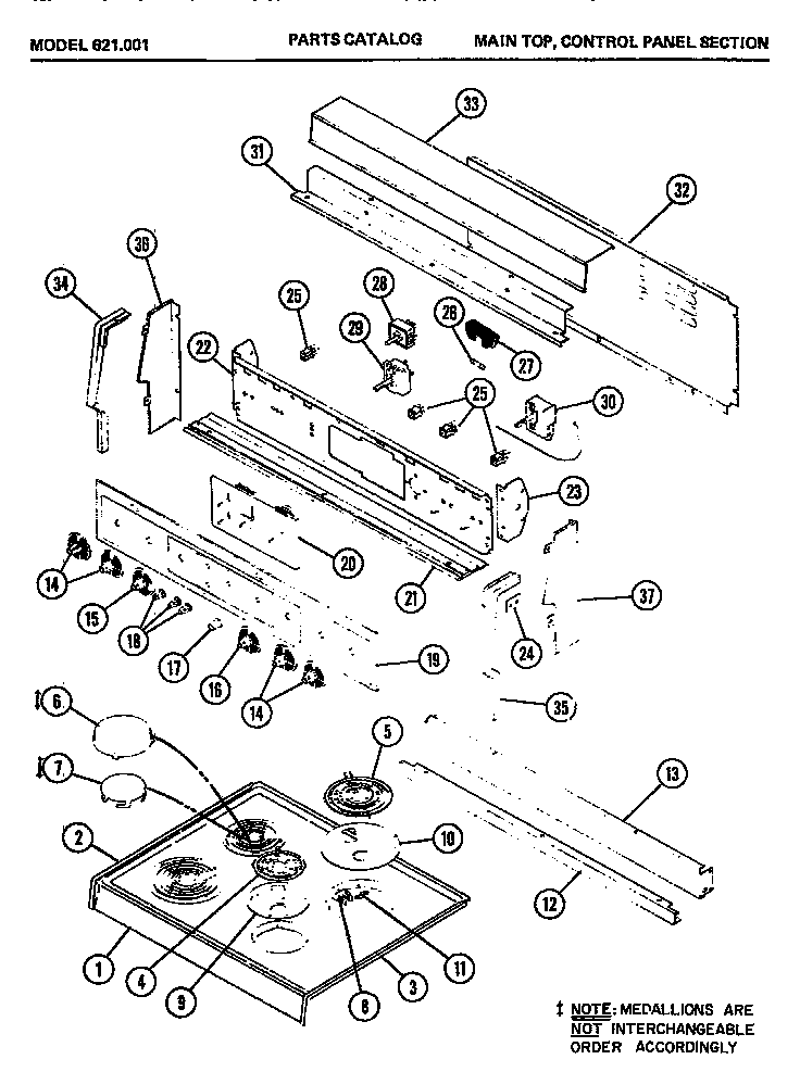
621.001 02 – MAIN TOPadmin2025-04-26T12:03:55+00:00621.001 02 – MAIN TOP ProductsPositionProduct1MAY M82D1261MAY M82D1301MAY M82D1272MAY M75D323MAY M75D314MAY M61D275MAY M61D286MAY M2D2677MAY M2D3228MAY M5D1179MAY M44D1110MAY M44D1211MAY M2D24011MAY M1D12912MAY M75D3513MAY M82D11413MAY M82D10613MAY M82D7513MAY M1D47114MAY M6D21515MAY M6D22016MAY M6D18517MAY M6D18418MAY M6D18319MAY M51D2920MAY M1D44920MAY M29D1121MAY M52D13122MAY M52D13723MAY M1D52623MAY M7D29824MAY M2D32325MAY M9D6826MAY M4D7827MAY M5D24127MAY M1D3127MAY M1D6928MAY M14D17828MAY M14D17929MAY M14D14529MAY M1D53630MAY M1D21230MAY M18D1931MAY M52D16231MAY M1D53332MAY M82D9333MAY M65D14134MAY M7D28835MAY M1D65435MAY M7D28736MAY M53D2736MAY M53D3136MAY M53D1037MAY M53D1437MAY M1D48537MAY M53D30