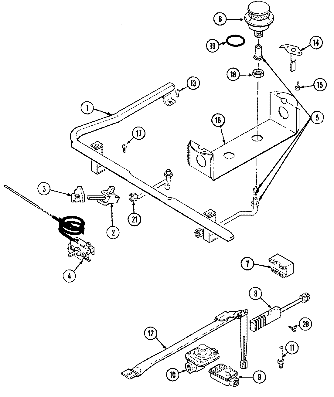
6257XRW 03 – GAS CONTROLSadmin2025-04-26T12:24:03+00:006257XRW 03 – GAS CONTROLS ProductsPositionProduct1MAY 7513P160-601MAY 7513P125-602MAY 7502P217-603WP7403P279-60 Whirlpool Igniter Switch4MAY 4005F433-514MAY 7404P087-604MAY 7101P280-605MAY 7507P087-606MAY 3412D017-097MAY 7431P023-607MAY 3807F432-458MAY 7432P076-609MAY 7103P130-609MAY 7501P099-6010MAY 8020P007-6010MAY 7507P123-6010MAY 7510P050-6011MAY 3414F104-4412MAY 3403D023-4513MAY 7101P290-6014NOT REQUIRED PART OR SEE NOTE FUSE (NOT REQUIRED)15MAY 7101P315-6016MAY 3807F451-4517MAY 7101P296-6018MAY 7103P119-6019MAY 7201P050-6020SCREW (10-24X5/16-NI)21MAY 7507P086-6021MAY 7507P089-6022MAY 5125A312-6022MAY 5140D038-60