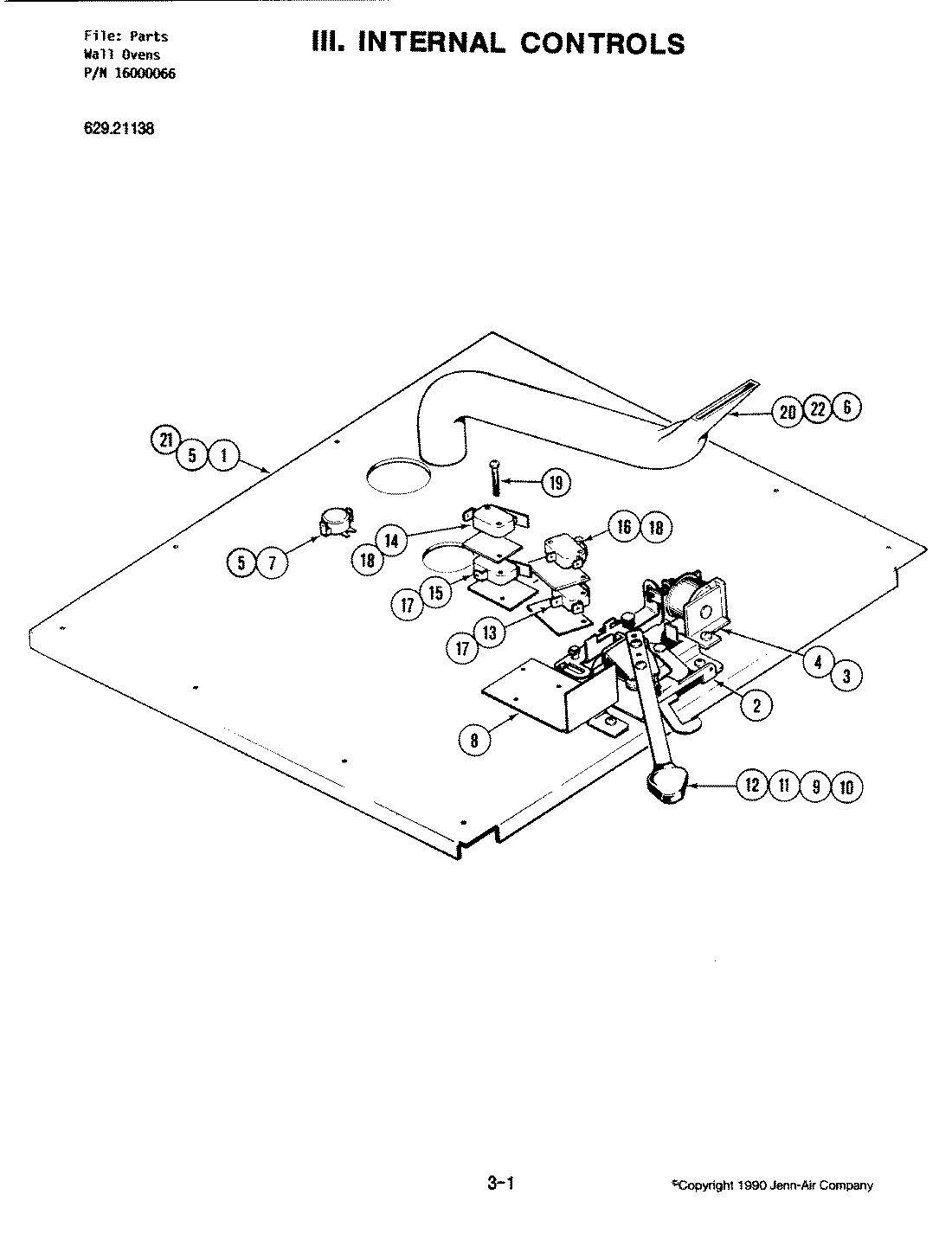
629.21138 05 – INTERNAL CONTROLSadmin2025-04-26T12:25:54+00:00629.21138 05 – INTERNAL CONTROLS ProductsPositionProduct1MAY 7046842MAY Y7033573MAY Y7016864MAY 7037674MAY Y7025265WP12990527 Whirlpool Microwave Screw6WP90767 Whirlpool Screw7MAY 7016878MAY 7017069MAY Y71254711MAY 70167112MAY 70511813MAY Y70236014MAY 70280615MAY 70280516MAY Y70373217MAY Y70235018MAY 70326419MAY 70280720MAY 70168421MAY Y70381722MAY 701680