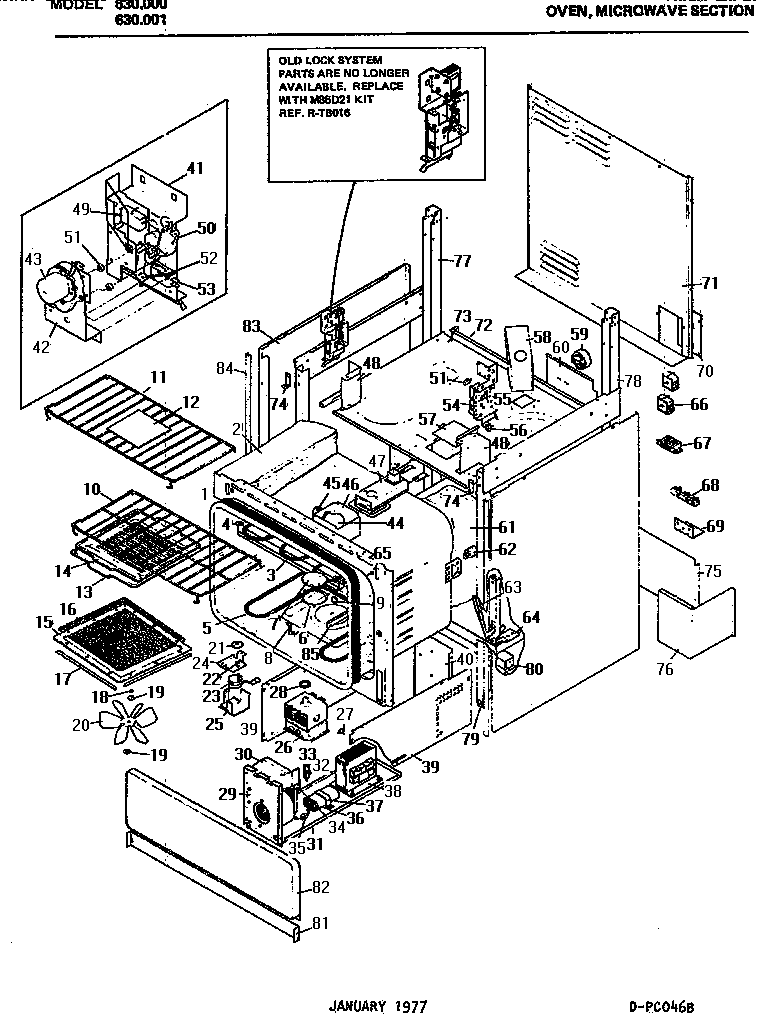
630.001 03 – Page 1admin2025-04-26T12:25:40+00:00630.001 03 – Page 1 ProductsPositionProduct1MAY M25D402MAY M63D113MAY M61D213MAY M61D244MAY M52D725MAY M61D226MAY M7D1977MAY M6D938MAY M2D2359MAY M1D56810MAY M67D1111MAY M67D1012MAY M50D2213MAY M67D114MAY M67D315MAY M7D22615MAY M1D58516MAY M50D2317MAY M25D4218MAY M1D7819MAY M1D56520MAY M35D1421MAY M2D26422MAY M2D26923MAY M12D2524MAY M8D8625MAY M8D8526MAY M1D7326MAY M1D9526MAY M57D1627MAY M1D428MAY M2D23429MAY M52D10230MAY M41D1430MAY M1D48331MAY M52D10432MAY M14D8833MAY M2D26634MAY M8D9035MAY M3D2236MAY M10D2737MAY M20D6037MAY M1D23938MAY M1D44938MAY M60D339MAY M52D10540MAY M52D10341MAY M8D9942MAY M8D10042MAY M1D52643MAY M12D2743MAY M5D13543MAY M1D60244MAY M9D4945MAY M5D11346MAY M8D9247MAY M18D748MAY M7D23249MAY M14D9850MAY M14D9450MAY M1D60151MAY M2D28052MAY M2D27653MAY M14D9554MAY M2D27754MAY M8D9554MAY M1D58656MAY M2D27556MAY M14D8656MAY M1D156MAY M1D37457MAY M8D9158MAY M65D7459MAY M1D12959MAY M12D2360MAY M52D10661MAY M63D1262MAY M5D11463MAY M1D28063MAY M1D53163MAY M8D7763MAY M1D53264MAY M1D53964MAY M8D7865MAY M1D52865MAY M1D58266MAY M16D3567MAY M8D7968MAY M1D58768MAY M4D4569MAY M2D24570MAY M7D23171MAY M82D4772MAY M82D6973MAY M82D7074MAY M20D8175MAY M65D8276MAY M65D8377MAY M83D378MAY M83D479MAY M8D7680MAY M52D8481MAY M72D3282MAY M72D2882MAY M72D3082MAY M72D2982MAY M72D3183MAY M1D47183MAY M1D48583MAY M82D5483MAY M82D5283MAY M82D5383MAY M82