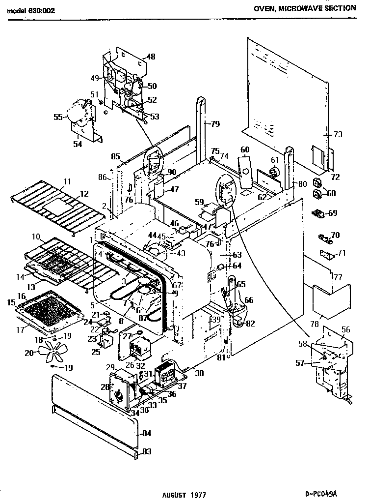
630.002 03 – Page 1admin2025-04-26T12:25:36+00:00630.002 03 – Page 1 ProductsPositionProduct1MAY M25D402MAY M63D113MAY M61D243MAY M61D214MAY M52D725MAY M61D226MAY M7D1977MAY M6D938MAY M2D2359MAY M1D56810MAY M67D1111MAY M67D1012MAY M50D2213MAY M67D114MAY M67D315MAY M7D22615MAY M1D58516MAY M50D2317MAY M25D4218MAY M1D7819MAY M1D56520MAY M35D1421MAY M2D26422MAY M2D26923MAY M12D2524MAY M8D8625MAY M8D8526MAY M57D1626MAY M1D7327MAY M2D23428MAY M52D10229MAY M1D48329MAY M41D1430MAY M52D10431MAY M14D8832MAY M2D26633MAY M8D9034MAY M3D2235MAY M10D2736MAY M20D6036MAY M1D23937MAY M60D337MAY M1D44938MAY M52D10539MAY M52D10343MAY M9D4944MAY M5D11345MAY M8D9246MAY M18D747MAY M7D23248MAY M8D9950MAY M14D9450MAY M1D60151MAY M2D28052MAY M2D27653MAY M14D9554MAY M1D52654MAY M8D10055MAY M12D2755MAY M5D13555MAY M1D60256MAY M8D9856MAY M1D58657MAY M14D9658MAY M1D37458MAY M1D158MAY M14D9859MAY M8D9160MAY M65D7461MAY M1D12961MAY M12D2362MAY M52D10663MAY M63D1264MAY M5D11465MAY M8D7765MAY M1D53265MAY M1D28065MAY M1D53166MAY M1D53966MAY M8D7867MAY M1D52867MAY M1D58268MAY M16D3569MAY M8D7970MAY M1D58770MAY M4D4571MAY M2D24572MAY M7D23173MAY M82D4774MAY M82D6975MAY M82D7076MAY M20D8177MAY M65D8278MAY M65D8379MAY M83D380MAY M83D481MAY M8D7682MAY M52D8483MAY M72D3284MAY M72D3184MAY M72D3084MAY M72D2884MAY M72D2985MAY M1D48585MAY M82D5485MAY M82D5285MAY M1D47185MAY M82D5385MAY M8