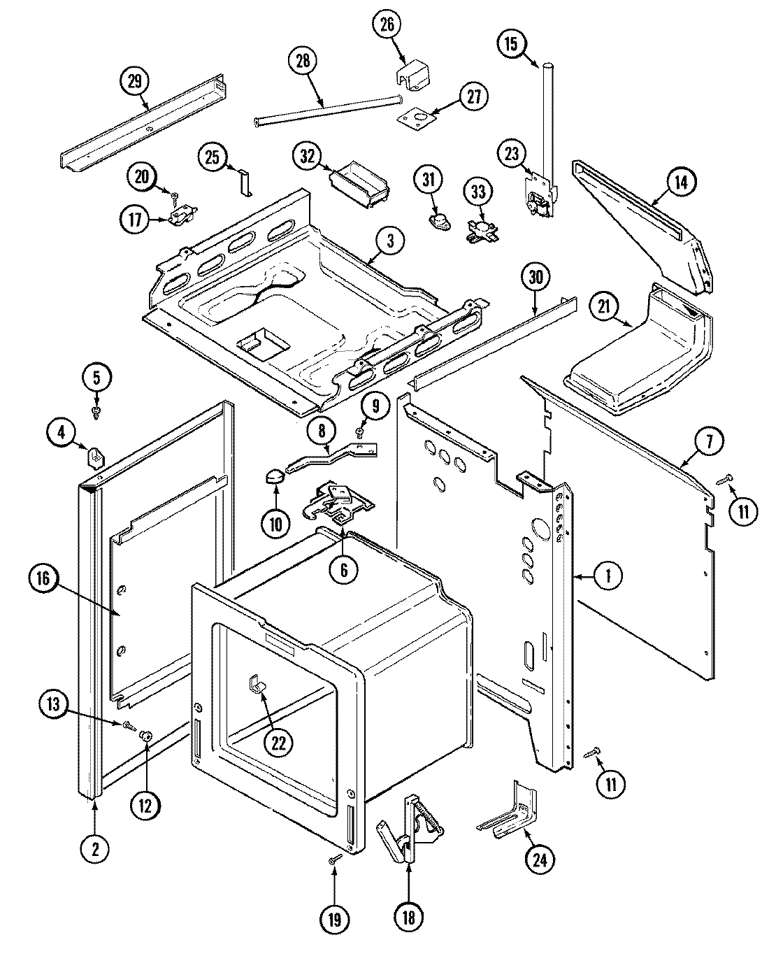
6458XRA 01 – BODY