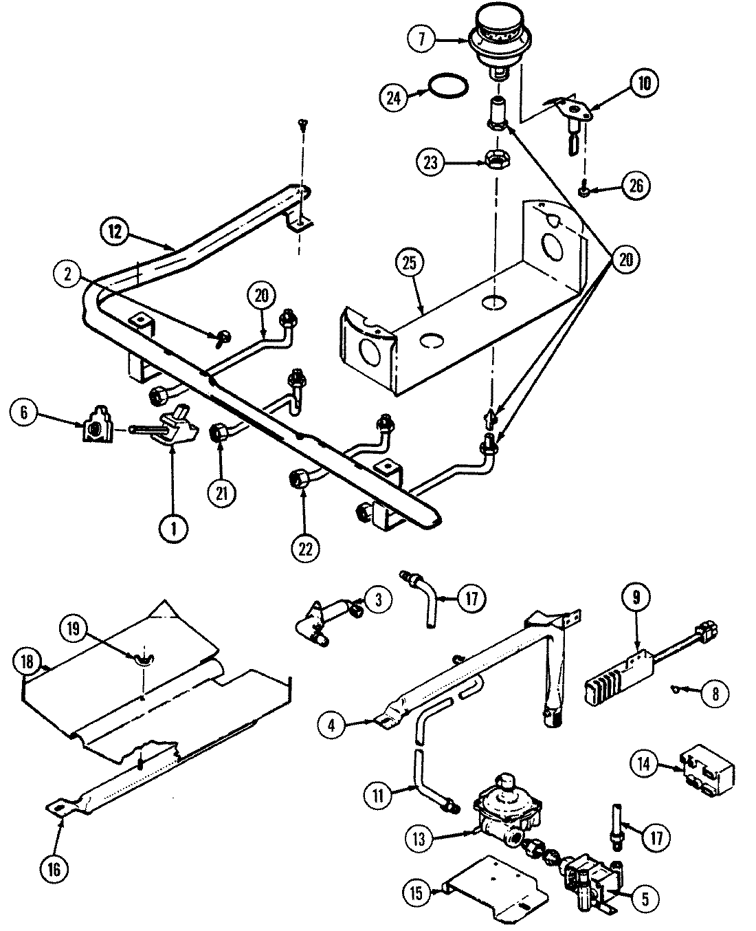
6458XRS 03 – GAS CONTROLSadmin2025-04-26T12:23:51+00:006458XRS 03 – GAS CONTROLS ProductsPositionProduct1MAY 7502P217-602MAY 7101P044-603MAY 7507P088-603MAY 3605F186-454MAY 3807F446-454MAY 3403D043-455WP74006427 Whirlpool Oven Valve6WP7403P279-60 Whirlpool Igniter Switch7MAY 3412D017-098SCREW (10-24X5/16-NI)9MAY 7432P076-6010NOT REQUIRED PART OR SEE NOTE FUSE (NOT REQUIRED)11MAY 3414F103-4412MAY 7103P130-6012MAY 7513P160-6012MAY 7513P125-6013MAY 7101P290-6013MAY 7510P050-6014MAY 7431P023-6014MAY 3801F270-4515MAY 8020P007-6016MAY 3403D024-4517MAY 3414F102-4418MAY 3601F217-4519NUT, WING20MAY 7507P087-6021MAY 7507P086-6022MAY 7507P089-6023MAY 7103P119-6024MAY 7201P050-6025MAY 3807F451-4525MAY 3411F007-3426MAY 5195D111-6026MAY 5140D038-6026MAY 7101P315-6026MAY 5185D274-6026MAY 5125A312-60