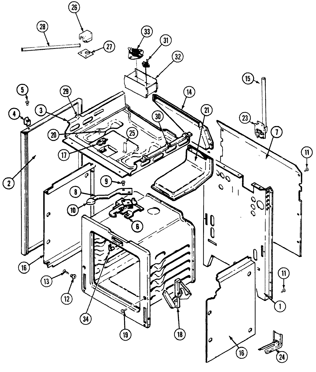
6458XTS 01 – BODYadmin2025-04-26T12:25:23+00:006458XTS 01 – BODY ProductsPositionProduct1MAY 4002F188-802MAY 2618F096-702MAY 2618F095-703MAY 4011F231-803MAY 4011F223-804SPACER, MAIN TOP (RT)4SPACER, MAIN TOP (LT)5MAY 7118P013-606MAY 8002P027-606MAY 4804F028-607MAY 4005F355-518MAY 8009P015-608MAY 7109P015-609SCREW, LEVER10MAY 7701P089-6011MAY 7101P290-6012MAY 8004P024-6013MAY 7101P300-6014MAY 7403P249-6014MAY 4022W004-4515MAY 7112P003-6016MAY 3804F103-5117MAY 7403P228-6017MAY 3801F267-4518MAY 7106P056-6019SCREW, HINGE20MAY 7101P031-6021MAY 4006W113-4522MAY 3807F451-4523MAY 7427P013-6024MAY 3801F218-5124MAY 7101P289-6025MAY 3801F292-5126MAY 4006F134-5127MAY 4011F156-5128MAY 7506P124-6029MAY 3604F173-5130MAY 3604F174-5130BAFFLE,VENT COVER31MAY 7403P004-6031MAY 7101P076-6032MAY 3807F420-5133MAY 8004P007-6033MAY 7403P275-6034WP7112P004-60 Whirlpool Thermal Clip35MAY 8026P021-60