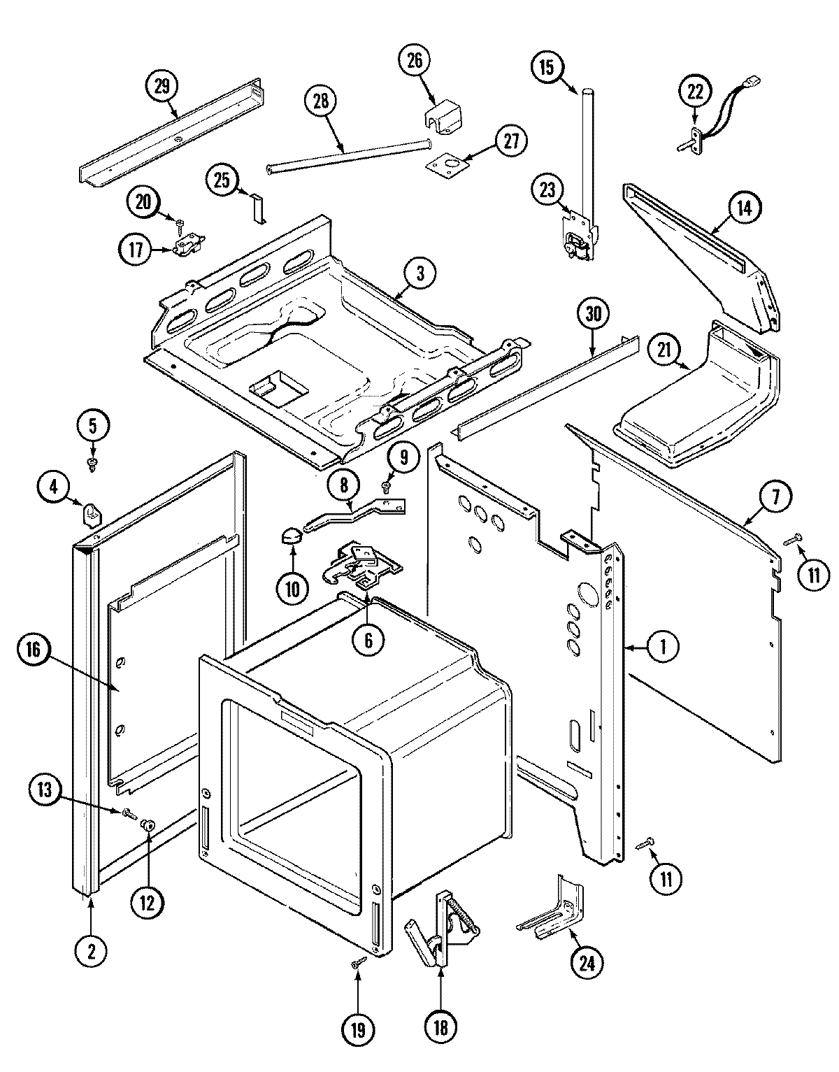
6498VTA 01 – BODYadmin2025-04-26T12:23:33+00:006498VTA 01 – BODY ProductsPositionProduct1MAY 4002F188-802MAY 2618F095-742MAY 2618F096-743MAY 4011F231-803MAY 4011F250-803MAY 4011F223-804SPACER, MAIN TOP (LT)4SPACER, MAIN TOP (RT)5MAY 7118P013-606MAY 8002P027-606MAY 4804F028-607MAY 4005F355-518MAY 7109P015-608MAY 8009P017-608MAY 8009P028-609SCREW, LEVER10MAY 7701P089-6010MAY 7112P003-6011MAY 7101P290-6012MAY 8004P024-6013MAY 7101P300-6014MAY 7403P249-6014MAY 4022W004-4515MAY 8026P021-6016MAY 3804F103-5117MAY 7403P363-6017MAY 3801F267-4517MAY 7003P063-6017MAY 7403P361-6018MAY 7106P056-6019SCREW, HINGE20MAY 7101P031-6021MAY 4006W113-4522MAY 7430P009-6023MAY 7427P013-6024MAY 3801F218-5124MAY 7101P289-6025MAY 3801F292-5126MAY 4006F134-5127MAY 4011F156-5128MAY 7506P124-6029MAY 3604F173-5130MAY 3604F174-5130BAFFLE,VENT COVER31MAY 7402P043-60